Оригинальные каталоги
| № | Номер | Наименование | Цена | |
|---|---|---|---|---|
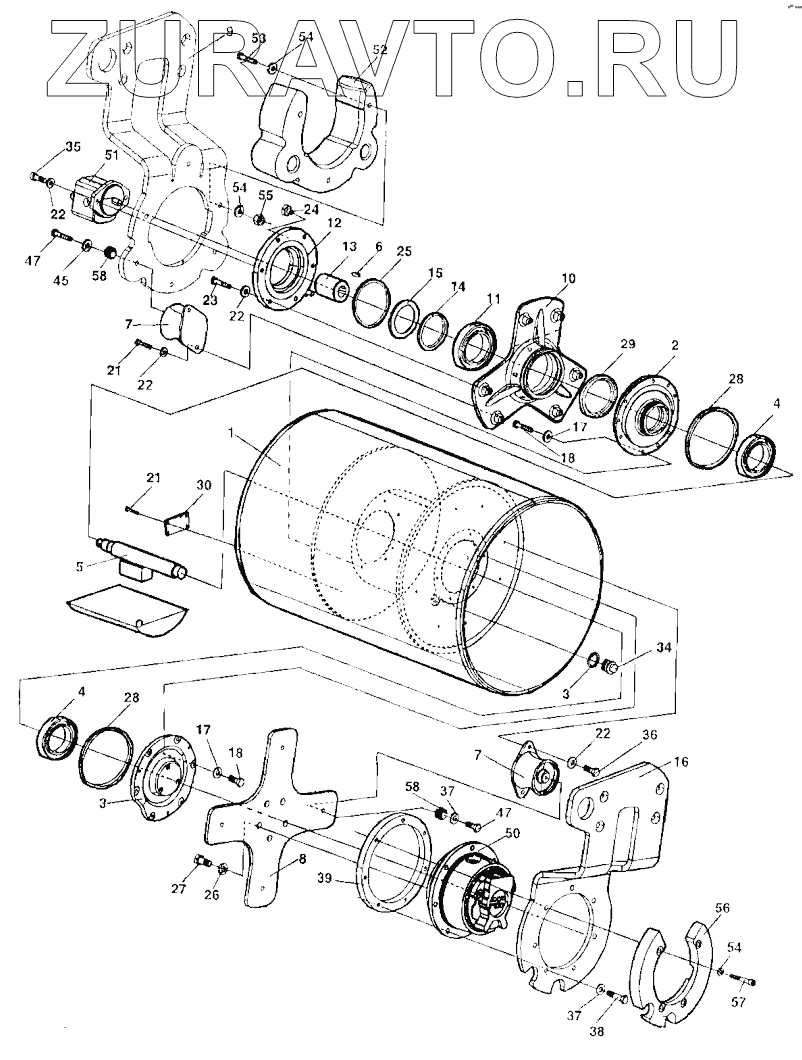
| 4812120632 | 4812120632 | Drum | Нет в продаже |
|
| 1 | 4700386906 | Drum | Нет в продаже |
|
| 2 | 4700386619 | Bearing housing | Нет в продаже |
|
| 3 | 4700386620 | Bearing housing | Нет в продаже |
|
| 4 | 4700791433 | Spherical roller bearing | Нет в продаже |
|
| 5 | 4700386907 | Eccentric shaft | Нет в продаже |
|
| 6 | 4700350029 | Key | Нет в продаже |
|
| 7 | 4700391984 | Shock absorber | Нет в продаже |
|
| 8 | 4700386622 | Drive disc | Нет в продаже |
|
| 9 | Fork | Fork | Нет в продаже |
|
| 10 | 4700386241 | Bearing housing | Нет в продаже |
|
| 11 | 4700111018 | Ball bearing | Нет в продаже |
|
| 12 | 4700358666 | Adapter | Нет в продаже |
|
| 13 | 4700349202 | Coupling | Нет в продаже |
|
| 14 | 4700358689 | Spacer ring | Нет в продаже |
|
| 15 | 4700903154 | Retaining ring | Нет в продаже |
|
| 16 | Fork | Fork | Нет в продаже |
|
| 17 | 4700904640 | Washer | Нет в продаже |
|
| 18 | 4700500022 | Hex. screw | Нет в продаже |
|
| 19 | 4700904228 | Steel plain washer | Нет в продаже |
|
| 20 | 4700500012 | Hex. screw | Нет в продаже |
|
| 21 | 4812110596 | Hexagon head screw | Нет в продаже |
|
| 22 | 4700904557 | Washer | Нет в продаже |
|
| 23 | 4700500029 | Hex. screw | Нет в продаже |
|
| 24 | 4700343490 | Air breather | Нет в продаже |
|
| 25 | 4700160132 | O-ring 70 | Нет в продаже |
|
| 26 | 4700904558 | Washer | Нет в продаже |
|
| 27 | 4700947694 | Screw | Нет в продаже |
|
| 28 | 4700791425 | O-ring | Нет в продаже |
|
| 29 | 4700791426 | Radial lip seal | Нет в продаже |
|
| 30 | Signplate | Sign plate | Нет в продаже |
|
| 31 | 4700527002 | Drive screw | Нет в продаже |
|
| 33 | 4700162017 | Seal ring | Нет в продаже |
|
| 34 | 4700343744 | Magnetic plug | Нет в продаже |
|
| 35 | 4700508029 | Cylinder screw | Нет в продаже |
|
| 36 | 4812110663 | Hexagon head screw | Нет в продаже |
|
| 37 | 4700904703 | Plain washer | Нет в продаже |
|
| 38 | 4700925519 | Screw | Нет в продаже |
|
| 39 | 4700387137 | Thread ring | Нет в продаже |
|
| 45 | 4700904231 | Washer | Нет в продаже |
|
| 47 | 4812110595 | Hexagon head screw | Нет в продаже |
|
| 49 | 4700903374 | Protective plug | Нет в продаже |
|
| 50 | Hydraulicmotor | Hydraulic motor, Cpl | Нет в продаже |
|
| 51 | Hydraulicmotor | Hydraulic motor, Cpl | Нет в продаже |
|
| 52 | 4700389434 | Ballast | Нет в продаже |
|
| 53 | 4700925228 | Hexagon head screw | Нет в продаже |
|
| 54 | 4700904703 | Plain washer | Нет в продаже |
|
| 55 | 4700570007 | Hex. nut | Нет в продаже |
|
| 56 | 4700389432 | Ballast | Нет в продаже |
|
| 57 | 4700928198 | Screw | Нет в продаже |
|
| 58 | 4812110346 | Spacer | Нет в продаже |
|
1
2
3
3
4
4
5
6
7
7
8
9
10
11
12
13
14
15
16
17
17
18
18
21
21
22
22
22
22
23
24
25
26
27
28
28
29
30
34
35
36
37
37
38
39
45
47
47
50
51
52
53
54
54
54
55
56
57
58
58
Содержащиеся в справочниках-каталогах запасные части и детали носят исключительно информационный характер