Оригинальные каталоги
| № | Номер | Наименование | Цена | |
|---|---|---|---|---|
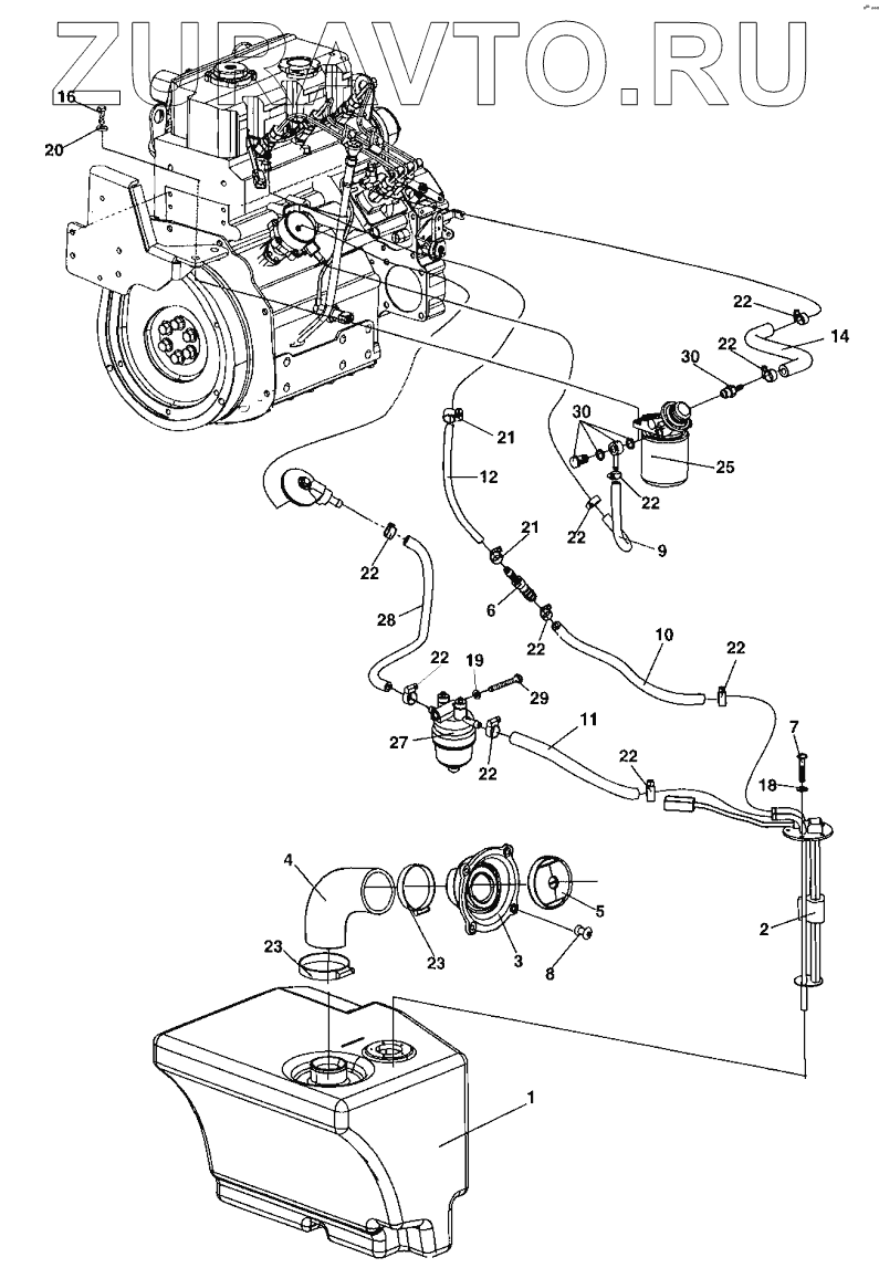
| 4700313075 | 4700313075 | Hose clamp | Нет в продаже |
|
| 4700945418 | 4700945418 | Filter head | Нет в продаже |
|
| 4700945777 | 4700945777 | Gasket | Нет в продаже |
|
| 4700940922 | 4700940922 | Filter element | Нет в продаже |
|
| 4700940203 | 4700940203 | O-ring | Нет в продаже |
|
| 4700945753 | 4700945753 | Key 2PCS 921 | Нет в продаже |
|
| 4812118459 | 4812118459 | Fuel cap | Нет в продаже |
|
| 4812118885 | 4812118885 | Key 2 pcs 044 | Нет в продаже |
|
| 1 | 4700387279 | Fuel tank | Нет в продаже |
|
| 2 | 4700387552 | Level gauge | Нет в продаже |
|
| 3 | 4700387682 | Filler neck | Нет в продаже |
|
| 4 | 4700387695 | Fuel hose | Нет в продаже |
|
| 5 | 4700394253 | Fuel cap | Нет в продаже |
|
| 6 | 4700791774 | Hose connection | Нет в продаже |
|
| 7 | 4700903236 | Screw, Thread rolling | Нет в продаже |
|
| 8 | 4700792180 | Blind rivet | Нет в продаже |
|
| 9 | 4700904984 | Fuel hose | Нет в продаже |
|
| 10 | 4700904984 | Fuel hose | Нет в продаже |
|
| 11 | 4700904984 | Fuel hose | Нет в продаже |
|
| 12 | 4700791422 | Hose | Нет в продаже |
|
| 14 | 4700904984 | Fuel hose | Нет в продаже |
|
| 16 | 4700500029 | Hex. screw | Нет в продаже |
|
| 18 | 4700904698 | Steel plain washer | Нет в продаже |
|
| 19 | 4700904229 | Washer | Нет в продаже |
|
| 20 | 4700904557 | Washer | Нет в продаже |
|
| 21 | 4700313108 | Hose clamp | Нет в продаже |
|
| 22 | 4700313108 | Hose clamp | Нет в продаже |
|
| 23 | 4700313023 | Hose clamp | Нет в продаже |
|
| 25 | 4700376555 | Fuel filter | Нет в продаже |
|
| 27 | 4700940894 | Water separator, cpl | Нет в продаже |
|
| 28 | 4700904984 | Fuel hose | Нет в продаже |
|
| 29 | 4700500068 | Screw | Нет в продаже |
|
| 30 | Existing | Existing | Нет в продаже |
|
1
2
3
4
5
6
7
8
9
10
11
12
14
16
18
19
20
21
21
22
22
22
22
22
22
22
22
22
22
23
23
25
27
28
29
30
30
Содержащиеся в справочниках-каталогах запасные части и детали носят исключительно информационный характер