Оригинальные каталоги
| № | Номер | Наименование | Цена | |
|---|---|---|---|---|
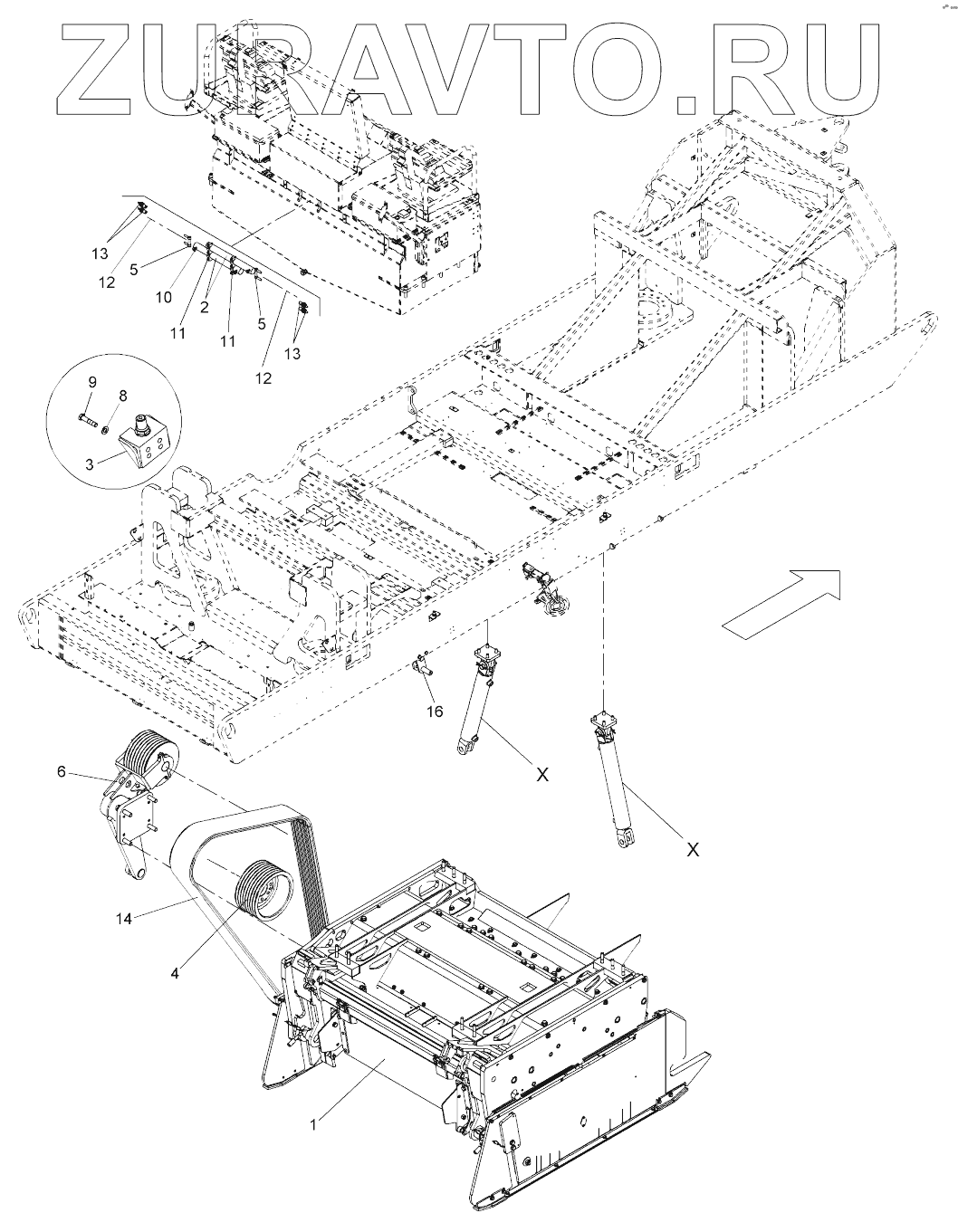
| 504120000 | 504120000 | Planer unit, compl. | Нет в продаже |
|
| Shoelift | Shoelift | Sliding shoe lift | Нет в продаже |
|
| 1 | 504-02610A | Milling section | Нет в продаже |
|
| 2 | 500020258 | Bolt | Нет в продаже |
|
| 3 | 500020272 | Angle | Нет в продаже |
|
| 4 | 504020172 | Pulley | Нет в продаже |
|
| 5 | 504020174 | Cylinder bracket | Нет в продаже |
|
| 6 | 504-02650 | Belt tensioner | Нет в продаже |
|
| 8 | 600006 | Washer | Нет в продаже |
|
| 9 | 500053 | Screw | Нет в продаже |
|
| 10 | 939475221 | Screw | Нет в продаже |
|
| 11 | 937930281 | Screw | Нет в продаже |
|
| 12 | 965172941 | Hydraulic cylinder | Нет в продаже |
|
| 13 | 951106473 | Brake wire | Нет в продаже |
|
| 14 | 930520160 | Compound v-belt | Нет в продаже |
|
| 16 | 504010209 | Flap mechanic | Нет в продаже |
|
1
2
3
4
5
5
6
8
9
10
11
11
12
12
13
13
14
16
Содержащиеся в справочниках-каталогах запасные части и детали носят исключительно информационный характер