Оригинальные каталоги
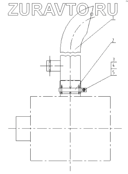
| № | Номер | Наименование | Цена | |
|---|---|---|---|---|
| 1 | 08BB101+A | Ejection assy | Нет в продаже |
|
| 2 | M8S6783+A | Hoop | Нет в продаже |
|
| 3 | B00001276 | Washer-hard | Нет в продаже |
|
| 4 | B00000769 | Hexagon nut | Нет в продаже |
|
| 5 | B00000398 | Hexagon bolt | Нет в продаже |
|
1
2
3
4
5
Содержащиеся в справочниках-каталогах запасные части и детали носят исключительно информационный характер