Оригинальные каталоги
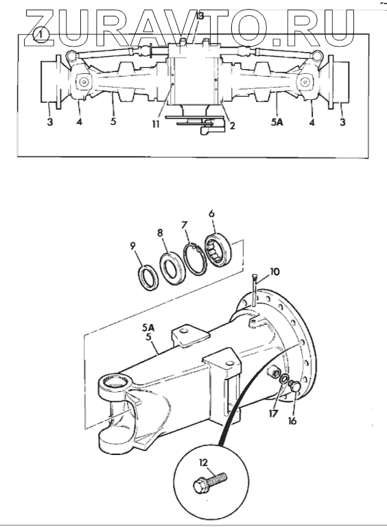
| № | Номер | Наименование | Цена | |
|---|---|---|---|---|
| 1 | F06/15855 | AXLE, SD80 | Нет в продаже |
|
| 5 | F06/14930 | HOUSING, AXLE ARM, FOR SENSOR | Нет в продаже |
|
| 5 | F06/14933 | HOUSING, AXLE ARM, FOR SENSOR | Нет в продаже |
|
| 5A | F06/14932 | HOUSING, AXLE ARM, FOR PLUG | Нет в продаже |
|
| 5A | F06/14934 | HOUSING, AXLE ARM, FOR PLUG | Нет в продаже |
|
| 6 | F06/18420 | BEARING | Нет в продаже |
|
| 6 | F06/18552 | BEARING | Нет в продаже |
|
| 7 | F06/11582 | CIRCLIP | Нет в продаже |
|
| 8 | F06/18394 | SEAL | Нет в продаже |
|
| 9 | F06/13780 | RING, MASKING | Нет в продаже |
|
| 10 | F06/14010 | BREATHER, EXTENSION | Нет в продаже |
|
| 11 | F06/18160 | CAP, BRAKE BREATHER ADAPTER | Нет в продаже |
|
| 12 | F06/10920 | BOLT, M16x70 | Нет в продаже |
|
| 16 | F06/17640 | PLUG, FILLER | Нет в продаже |
|
| 17 | F06/11120 | SEAL, BONDED | Нет в продаже |
|
1
5
5
5
5
5
5A
5A
5A
5A
5A
6
6
6
7
8
9
10
11
12
16
17
Содержащиеся в справочниках-каталогах запасные части и детали носят исключительно информационный характер