Назад

Оригинальные каталоги

zoom-in zoom-out enlarge shrink circle-right circle-left file-text2 info cart
Номер Наименование Цена
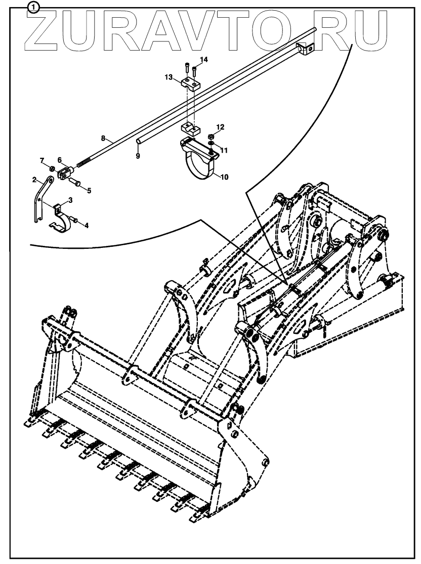
1 018/43070 SHOVEL LEVELLING MECHANISM Нет в продаже
2 020/30403 CLAMP PLATE Нет в продаже
3 020/11528 CLAMP PLATE Нет в продаже
4 N01/0222114 Bolt, Hex. Нет в продаже
5 N01/0222510 BOLT M10x40 Нет в продаже
6 F99/60051 CLEVIS Нет в продаже
7 N02/3570206 Nut, Hex. Нет в продаже
8 020/21111 MECHANISM BAR Нет в продаже
9 019/92208 PIPE, SWITCH MOUNTING Нет в продаже
10 810/53095 CLAMP, ASSY Нет в продаже
11 N03/0100016 Washer, Pln. Нет в продаже
12 N02/3570182 Nut, Hex. Нет в продаже
13 N07/2016013 CLAMP BODY Нет в продаже
14 N01/5870350 Bolt Нет в продаже
1
2
3
4
5
6
7
8
9
10
11
12
13
14
100%
Содержащиеся в справочниках-каталогах запасные части и детали носят исключительно информационный характер