Оригинальные каталоги
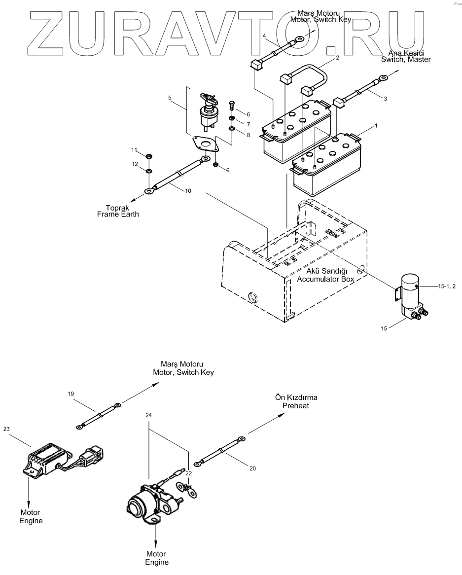
| № | Номер | Наименование | Цена | |
|---|---|---|---|---|
| 1 | H348003000 | Battery | Нет в продаже |
|
| 2 | H348000700 | Cable | Нет в продаже |
|
| 3 | H348000800 | Cable | Нет в продаже |
|
| 4 | H348011000 | Cable | Нет в продаже |
|
| 5 | H348001800 | Switch, Master | Нет в продаже |
|
| 6 | N01/0221514 | Bolt, Hex. | Нет в продаже |
|
| 7 | N03/1170013 | Washer, Spr. | Нет в продаже |
|
| 8 | N03/0100013 | Washer, Pln. | Нет в продаже |
|
| 9 | N02/3560158 | Nut, Hex. | Нет в продаже |
|
| 10 | H348000900 | Cable | Нет в продаже |
|
| 11 | N02/3570206 | Nut, Hex. | Нет в продаже |
|
| 12 | N03/2500014 | Washer,Pln. | Нет в продаже |
|
| 14 | N01/0221442 | Bolt, Hex. | Нет в продаже |
|
| 15 | H348003403 | Pump, Fuel Filler | Нет в продаже |
|
| 15 | H258003400 | Pump, Fuel Filler | Нет в продаже |
|
| 15.1 | H349080001 | Switch, Pump | Нет в продаже |
|
| 15.1 | H259080014 | Switch, Pump | Нет в продаже |
|
| 15.2 | H259080016 | Servics KIT, Pump | Нет в продаже |
|
| 19 | H348001302 | Cable | Нет в продаже |
|
| 20 | H348001601 | Cable, Preheat | Нет в продаже |
|
| 22 | H349003734 | Fuse, Air Heater | Нет в продаже |
|
| 23 | H348012300 | Relay, Alternator | Нет в продаже |
|
| 24 | H348012200 | Relay, Air Heater | Нет в продаже |
|
1
2
3
4
5
6
7
8
9
10
11
12
15
15
15.1
15.1
15.2
19
20
22
23
24
Содержащиеся в справочниках-каталогах запасные части и детали носят исключительно информационный характер