Оригинальные каталоги
| № | Номер | Наименование | Цена | |
|---|---|---|---|---|
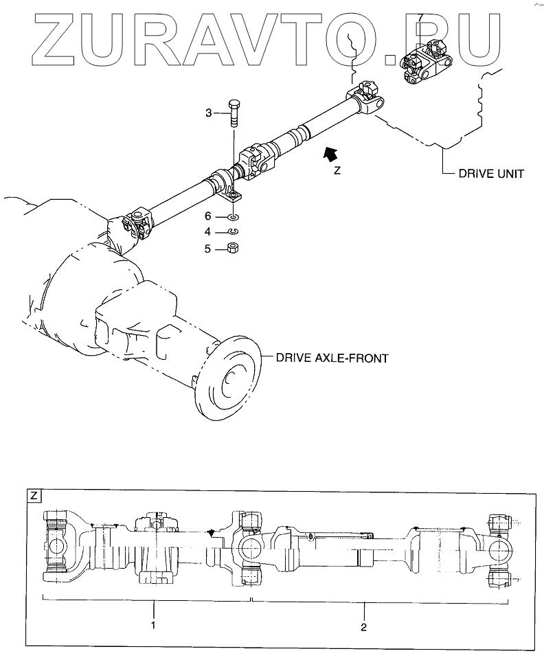
| 26673-30221 | 26673-30221 | PROPELLER SHAFT ASSY | Нет в продаже |
|
| 1 | 26673-37061 | SHAFT | Нет в продаже |
|
| 2 | 26673-37071 | SHAFT | Нет в продаже |
|
| 3 | 01116-20070 | BOLT | Нет в продаже |
|
| 4 | 02011-00020 | WASHER | Нет в продаже |
|
| 5 | 01401-10020 | NUT | Нет в продаже |
|
| 6 | 26323-02001 | WASHER | Нет в продаже |
|
| 7 | 26673-30231 | SHAFT, PROPELLER | Нет в продаже |
|
26673-30221
1
2
3
4
5
6
7
Содержащиеся в справочниках-каталогах запасные части и детали носят исключительно информационный характер