Оригинальные каталоги
| № | Номер | Наименование | Цена | |
|---|---|---|---|---|
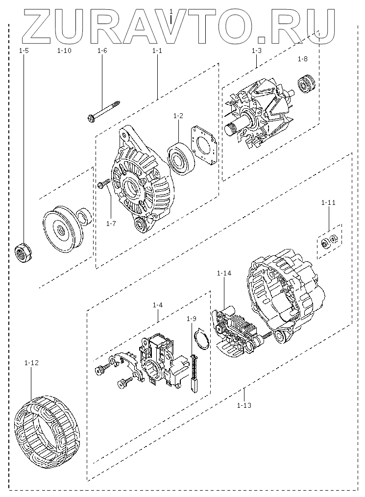
| 1 | XJAF-01560 | Alternator Assy | Нет в продаже |
|
| 1-1 | XJAF-02855 | Bracket Assy-Front | Нет в продаже |
|
| 1-2 | XJAF-02856 | Bearing-Front | Нет в продаже |
|
| 1-3 | XJAF-02857 | Rotor Assy | Нет в продаже |
|
| 1-4 | XJAF-02858 | Ic Regulator Set | Нет в продаже |
|
| 1-5 | XJAF-02859 | Nut | Нет в продаже |
|
| 1-6 | XJAF-02860 | Bolt Set | Нет в продаже |
|
| 1-7 | XJAF-02861 | Screw Set | Нет в продаже |
|
| 1-8 | XJAF-02862 | Bearing-Rear | Нет в продаже |
|
| 1-9 | XJAF-02863 | Brush Set | Нет в продаже |
|
| 1-10 | XJAF-02864 | Pulley Assy | Нет в продаже |
|
| 1-11 | XJAF-02865 | Nut Set | Нет в продаже |
|
| 1-12 | XJAF-02866 | Stator Assy | Нет в продаже |
|
| 1-13 | XJAF-02867 | Bracket Assy-Re | Нет в продаже |
|
| 1-14 | XJAF-02868 | Rectifier Assy | Нет в продаже |
|
1
1-1
1-2
1-3
1-4
1-5
1-6
1-7
1-8
1-9
1-10
1-11
1-12
1-13
1-14
Содержащиеся в справочниках-каталогах запасные части и детали носят исключительно информационный характер