Оригинальные каталоги
| № | Номер | Наименование | Цена | |
|---|---|---|---|---|
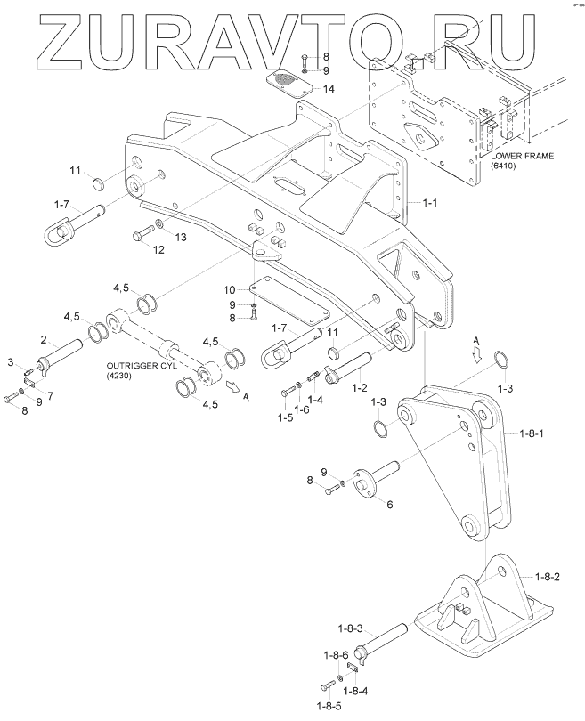
| 1-8-4 | 51EK-52560BG | Plate-Lock | Нет в продаже |
|
| 1-8-5 | S017-120256 | Bolt-Hex | Нет в продаже |
|
| 1-8-6 | S411-120006 | WASHER-SPRING | Нет в продаже |
|
| 7 | 51EK-52560BG | Plate-Lock | Нет в продаже |
|
| 8 | S017-120256 | Bolt-Hex | Нет в продаже |
|
| 9 | S411-120006 | WASHER-SPRING | Нет в продаже |
|
| 1 | 53N5-53000 | Outrigger Assy-Front | Нет в продаже |
|
| 1-1 | 53N5-53010 | Frame-Fr Outrigger | Нет в продаже |
|
| 1-2 | 53N5-52500 | Pin-Leg | Нет в продаже |
|
| 1-3 | S391-070120 | Shim-Round | Нет в продаже |
|
| 1-4 | 51EK-52560BG | Plate-Lock | Нет в продаже |
|
| 1-5 | S017-120256 | Bolt-Hex | Нет в продаже |
|
| 1-6 | S411-120006 | WASHER-SPRING | Нет в продаже |
|
| 1-7 | 51EK-52542BG | Pin-Safety | Нет в продаже |
|
| 1-8 | 53N5-53200 | Leg & Foot Assy | Нет в продаже |
|
| 1-8-1 | 53N5-52200 | Leg Assy | Нет в продаже |
|
| 1-8-2 | 53N5-52300 | Foot Wa | Нет в продаже |
|
| 1-8-3 | 53N5-52510 | Pin-Foot | Нет в продаже |
|
| 2 | 53N5-52520 | Pin-Cyl Head | Нет в продаже |
|
| 3 | S651-810002 | NIPPLE-GREASE | Нет в продаже |
|
| 4 | S390-075130 | SHIM-ROUND | Нет в продаже |
|
| 5 | S391-075130 | SHIM-ROUND | Нет в продаже |
|
| 6 | 53N5-52530 | Pin-Cyl Rod | Нет в продаже |
|
| 10 | 53N5-52570 | Plate-Cover | Нет в продаже |
|
| 11 | 51EK-52990 | Reflector-Rear | Нет в продаже |
|
| 12 | S018-30065D | BOLT-HEX | Нет в продаже |
|
| 13 | S441-300006 | WASHER-HARDENED | Нет в продаже |
|
| 14 | 53N5-27120 | Cover | Нет в продаже |
|
1-8-4
1-8-5
1-8-6
7
8
8
8
9
9
9
1
1-1
1-2
1-3
1-3
1-4
1-5
1-6
1-7
1-7
1-8
1-8-1
1-8-2
1-8-3
2
3
4
4
4
4
5
5
5
5
6
10
11
11
12
13
14
Содержащиеся в справочниках-каталогах запасные части и детали носят исключительно информационный характер