Назад

Оригинальные каталоги

zoom-in zoom-out enlarge shrink circle-right circle-left file-text2 info cart
Номер Наименование Цена
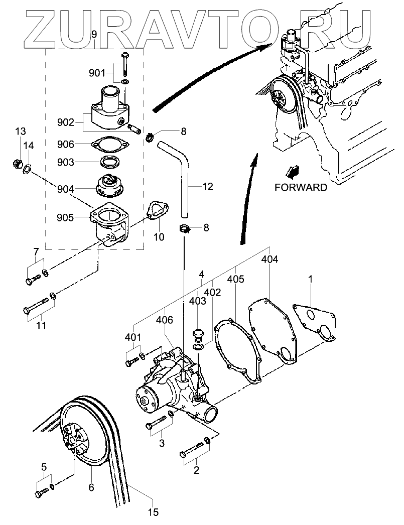
1 32B45-05500 GASKET-WATER PUMP Нет в продаже
2 F1805-08065 BOLT-W/WASHER Нет в продаже
3 F1805-08050 BOLT-W/WASHER Нет в продаже
4 32B45-05020 WATER PUMP ASSY Нет в продаже
5 F1805-08020 BOLT-W/WASHER Нет в продаже
6 32B45-02692 PULLEY-WATER PUMP Нет в продаже
7 F1805-08045 BOLT-W/WASHER Нет в продаже
8 32A46-03100 CLAMP-HOSE Нет в продаже
9 32B46-00030 THERMOSTAT ASSY Нет в продаже
10 32B46-00200 GASKET-THERMO CASE Нет в продаже
11 F1805-08070 BOLT-W/WASHER Нет в продаже
12 32B46-00800 HOSE-WATER Нет в продаже
13 MM316248 PLUG-DRAIN Нет в продаже
14 30636-25901 GASKET Нет в продаже
15 XJAF-00739 V-BELT Нет в продаже
401 F1805-08035 BOLT-W/WASHER Нет в продаже
402 F4202-16000 GASKET Нет в продаже
403 F5000-16000 PLUG-DRAIN Нет в продаже
404 32B45-05300 COVER-WATER PUMP Нет в продаже
405 32B45-05400 GASKET-WATER PUMP Нет в продаже
406 CASE-WATERPUMP CASE-WATER PUMP Нет в продаже
901 F1805-08045 BOLT-W/WASHER Нет в продаже
902 30646-25064 COVER ASSY Нет в продаже
903 31346-11900 GASKET Нет в продаже
904 31646-02200 THERMOSTAT Нет в продаже
905 32B46-00301 CASE-THERMOSTAT Нет в продаже
906 34446-05300 GASKET Нет в продаже
1
2
3
4
5
6
7
8
8
9
10
11
12
13
14
15
401
402
403
404
405
406
901
902
903
904
905
906
100%
Содержащиеся в справочниках-каталогах запасные части и детали носят исключительно информационный характер