Назад

Оригинальные каталоги

zoom-in zoom-out enlarge shrink circle-right circle-left file-text2 info cart
Номер Наименование Цена
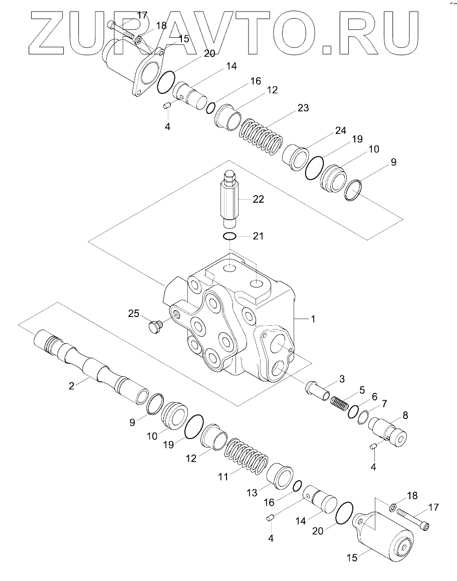
31E6-00111 31E6-00111 Valve-Control Нет в продаже
1 3501-429 Housing Нет в продаже
2 3510-238 Plunger Assy Нет в продаже
3 3513-117 Check Нет в продаже
4 1099-000 Chip-Nylon Нет в продаже
5 3390-101 Spring Нет в продаже
6 8202-014 O-Ring Нет в продаже
7 0859-174 Ring-Back Up Нет в продаже
8 3526-233 Cap Нет в продаже
9 3597-115 Ring Нет в продаже
10 3535-030 Plate-Seal Нет в продаже
11 3590-319 Spring Нет в продаже
12 3531-101 Guide Нет в продаже
13 3531-055 Guide Нет в продаже
14 3526-161 Cap Нет в продаже
15 3503-142 Cover Нет в продаже
16 0200-048 O-Ring Нет в продаже
17 8072-084 Bolt-Socket Нет в продаже
18 0131-004 Washer-Lock Нет в продаже
19 0200-061 O-Ring Нет в продаже
20 0200-059 O-Ring Нет в продаже
21 8201-014 O-Ring Нет в продаже
22 3537-319-350-30 Valve-Relief Нет в продаже
23 3590-263 Spring Нет в продаже
24 3531-102 Guide Нет в продаже
25 8320-001 Plug Нет в продаже
1
2
3
4
4
4
5
6
7
8
9
9
10
10
11
12
12
13
14
14
15
15
16
16
17
17
18
18
19
19
20
20
21
22
23
24
25
100%
Содержащиеся в справочниках-каталогах запасные части и детали носят исключительно информационный характер