Оригинальные каталоги
| № | Номер | Наименование | Цена | |
|---|---|---|---|---|
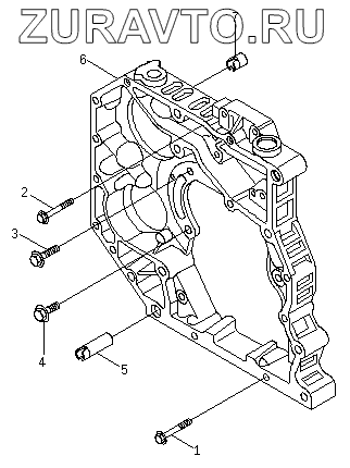
| XKDE-01169 | XKDE-01169 | HOUSING-GEAR | Нет в продаже |
|
| 1 | XKDE-01368 | SCREW-HEX HD CAP | Нет в продаже |
|
| 2 | XKDE-00324 | SCREW-HEX HD CAP | Нет в продаже |
|
| 3 | XKDE-00111 | SCREW-HEX HD CAP | Нет в продаже |
|
| 4 | XKDE-01367 | SCREW-HEX HD CAP | Нет в продаже |
|
| 5 | XKDE-01049 | DOWEL-RING | Нет в продаже |
|
| 6 | XKDE-01170 | HOUSING-GEAR | Нет в продаже |
|
| 7 | XKDE-01184 | INSERT-THREADED | Нет в продаже |
|
1
2
3
4
5
6
7
Содержащиеся в справочниках-каталогах запасные части и детали носят исключительно информационный характер