Оригинальные каталоги
| № | Номер | Наименование | Цена | |
|---|---|---|---|---|
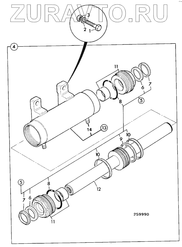
| 1 | 826/01666 | Bolt | Нет в продаже |
|
| 2 | 1420/0012Z | Washer | Нет в продаже |
|
| 3 | Notfittedorrequired. | Not fitted or required. | Нет в продаже |
|
| 4 | 557/60014 | Ram power trackrod | Нет в продаже |
|
| 4 | 557/60170 | Ram steer Aws Black Version | Нет в продаже |
|
| 5 | 991/00157 | Kit-seal | Нет в продаже |
|
| 6 | 2411/0526 | Seal | Нет в продаже |
|
| 7 | 2411/8706 | Seal wiper | Нет в продаже |
|
| 8 | 2302/0310 | O-Ring | Нет в продаже |
|
| 9 | 2411/1135 | Seal piston | Нет в продаже |
|
| 10 | 2411/7918 | Ring Wear | Нет в продаже |
|
| 11 | 594/14076 | Kit-end cap | Нет в продаже |
|
| 12 | 590/40215 | Rod piston | Нет в продаже |
|
| 13 | 557/70014 | Cylinder power track rod | Нет в продаже |
|
| 14 | 655/00388 | Pipe piston side | Нет в продаже |
|
1
2
3
4
4
4
4
5
5
6
6
7
7
8
8
9
10
10
11
11
12
13
14
Содержащиеся в справочниках-каталогах запасные части и детали носят исключительно информационный характер