Оригинальные каталоги
| № | Номер | Наименование | Цена | |
|---|---|---|---|---|
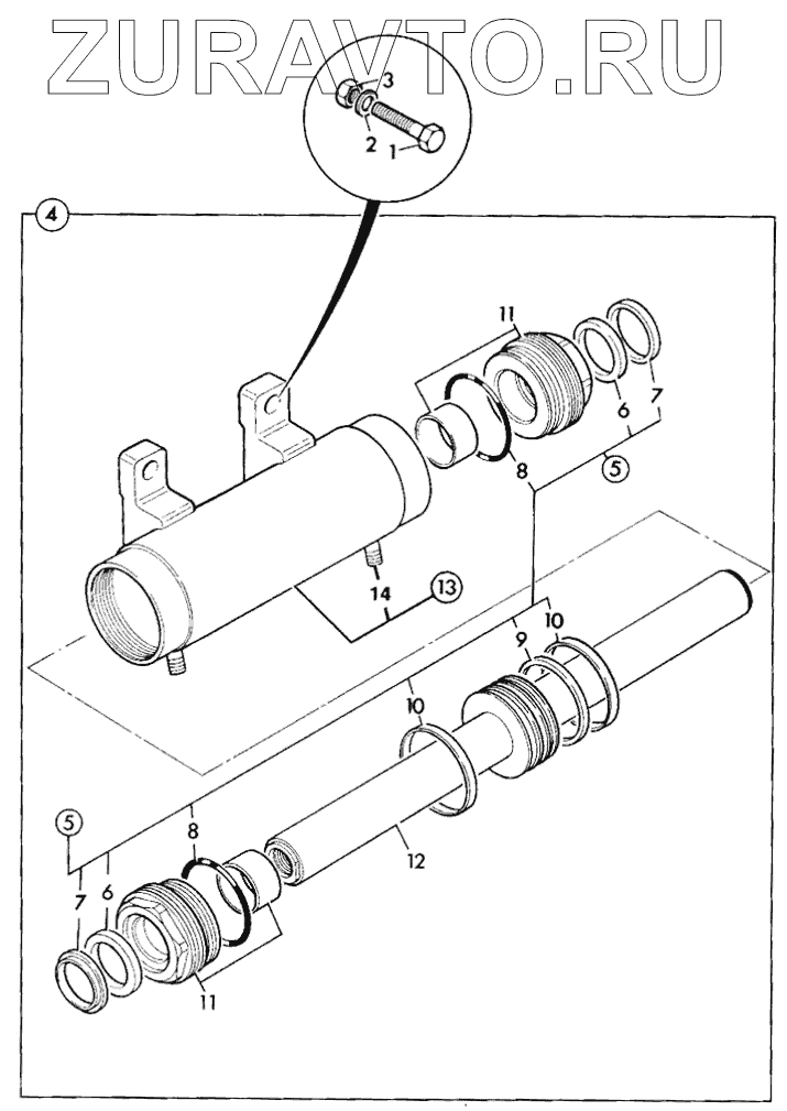
| 1 | 1315/3721Z | Bolt | Нет в продаже |
|
| 2 | 1420/0011Z | Washer | Нет в продаже |
|
| 3 | 1370/0603Z | Nut lock | Нет в продаже |
|
| 4 | 573/10031 | Ram assembly, steer power trackrod | Нет в продаже |
|
| 5 | 991/00156 | Kit-seal power track rod ram | Нет в продаже |
|
| 6 | 2411/0605 | Seal gland | Нет в продаже |
|
| 7 | 2411/8705 | Seal wiper | Нет в продаже |
|
| 8 | 2302/0307 | O-Ring | Нет в продаже |
|
| 9 | 2411/1132 | Seal piston head | Нет в продаже |
|
| 10 | 2411/7975 | Ring wear | Нет в продаже |
|
| 11 | 594/14074 | Kit-end cap | Нет в продаже |
|
| 12 | 590/40210 | Rod piston | Нет в продаже |
|
| 13 | 573/20000 | Cylinder power track rod | Нет в продаже |
|
1
2
3
4
5
5
6
6
7
7
8
8
9
10
10
11
11
12
13
Содержащиеся в справочниках-каталогах запасные части и детали носят исключительно информационный характер