Оригинальные каталоги
| № | Номер | Наименование | Цена | |
|---|---|---|---|---|
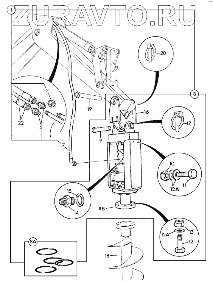
| 1 | 980/03400 | Auger assembly, yellow | Нет в продаже |
|
| 1A | 980/03401 | Plate side | Нет в продаже |
|
| 5 | 1604/0004 | Adaptor Male | Нет в продаже |
|
| 6 | 1612/0003 | Adapter Male/Female | Нет в продаже |
|
| 7 | 613/27700 | Hose | Нет в продаже |
|
| 8 | 980/04100 | Head auger | Нет в продаже |
|
| 8A | 980/04321 | Kit-seal | Нет в продаже |
|
| 8B | 980/04101 | Flange drive with plate & screws | Нет в продаже |
|
| 9 | Pivotpin | Pivot pin | Нет в продаже |
|
| 10 | 1370/0603Z | Nut lock | Нет в продаже |
|
| 11 | 1315/3710Z | Bolt | Нет в продаже |
|
| 12 | 1315/3714Z | Bolt | Нет в продаже |
|
| 12A | 1420/0011Z | Washer | Нет в продаже |
|
| 13 | 1370/0603Z | Nut lock | Нет в продаже |
|
| 14 | 1606/0007 | Adapter | Нет в продаже |
|
| 15 | 1406/0018 | Washer Bonded | Нет в продаже |
|
| 16 | 980/04110 | Bracket earth drill | Нет в продаже |
|
| 17 | 826/00512 | Pin Linch | Нет в продаже |
|
| 18 | EarthDrill | Earth Drill Attachments | Нет в продаже |
|
| 19 | Pivotpin | Pivot pin | Нет в продаже |
|
| 20 | Linchpin | Existing linch pin | Нет в продаже |
|
| 21 | Existinghose | Existing hose | Нет в продаже |
|
| 22 | Existinghose | Existing hose | Нет в продаже |
|
1
5
7
8
8A
8B
9
10
11
12
12A
12A
13
14
15
16
17
18
19
20
22
Содержащиеся в справочниках-каталогах запасные части и детали носят исключительно информационный характер