Назад

Оригинальные каталоги

zoom-in zoom-out enlarge shrink circle-right circle-left file-text2 info cart
Номер Наименование Цена
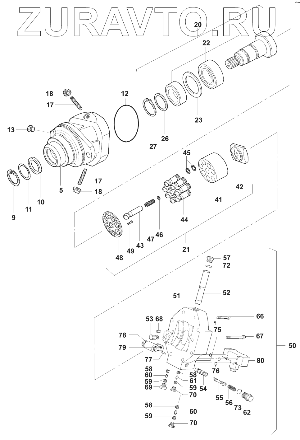
5 07241/20255 Housing Нет в продаже
9 02304/00062 Retaining ring Нет в продаже
10 07241/20252 Shaft seal ring Нет в продаже
11 07241/20253 Supporting ring Нет в продаже
12 07241/20254 O-ring Нет в продаже
13 07241/20258 Screw plug Нет в продаже
17 07241/20256 Heandless screw Нет в продаже
18 07241/20257 Nut Нет в продаже
20 07241/20260 Driving gear Нет в продаже
21 07241/20270 Driving gear, hydraulically Нет в продаже
22 07241/20261 Shaft , cpl. Нет в продаже
23 07241/20262 Shim ring Нет в продаже
26 07241/20263 Supporting ring Нет в продаже
27 02305/00050 Retaining ring Нет в продаже
41 04033/23139 Cylinder Нет в продаже
42 07241/20272 Valve Нет в продаже
43 07241/20273 Stund Нет в продаже
44 07241/20275 Piston and piston ring Нет в продаже
45 07241/20277 Seal ring Нет в продаже
46 07241/20278 Disc Нет в продаже
47 07241/20279 Compression spring Нет в продаже
48 04033/23144 Plate Нет в продаже
49 07241/20281 Screw Нет в продаже
50 07241/20290 Adjusting device Нет в продаже
51 07241/20291 Plate Нет в продаже
52 07241/20292 Piston Нет в продаже
53 07241/20293 Stund Нет в продаже
54 07241/20294 Bushing Нет в продаже
55 07241/20305 Piston Нет в продаже
56 07241/20295 Compression spring Нет в продаже
57 07241/20296 Screw plug Нет в продаже
58 07241/20297 Screw Нет в продаже
59 07241/20298 Screw Нет в продаже
60 07241/20299 Pin Нет в продаже
61 07241/20301 Pin Нет в продаже
62 07241/20302 Screw plug Нет в продаже
66 07241/20303 Cap screw M10x40 DIN912 Нет в продаже
67 07241/20304 Cap screw M10x60 DIN912 Нет в продаже
68 07241/20306 Parallel pin Нет в продаже
69 07241/20307 Screw plug Нет в продаже
70 07241/20308 Screw plug Нет в продаже
72 07241/20309 O-ring Нет в продаже
73 07241/20310 O-ring Нет в продаже
75 07241/20311 Plug Нет в продаже
76 07241/20312 O-ring Нет в продаже
77 07241/20313 Needle Нет в продаже
78 07241/20330 Magnet Нет в продаже
79 08362/01015 Plug socket Нет в продаже
80 07241/20315 Cover Нет в продаже
07241/20250 07241/20250 Variable displacement motor Нет в продаже
07241/20251 07241/20251 Sealing kit Нет в продаже
5
9
10
11
12
13
17
17
18
18
20
21
22
23
26
27
41
42
43
44
45
46
47
48
49
50
51
52
53
54
55
56
57
58
58
58
59
59
59
60
60
61
62
66
67
68
69
70
70
72
73
75
76
77
78
79
80
100%
Содержащиеся в справочниках-каталогах запасные части и детали носят исключительно информационный характер