Оригинальные каталоги
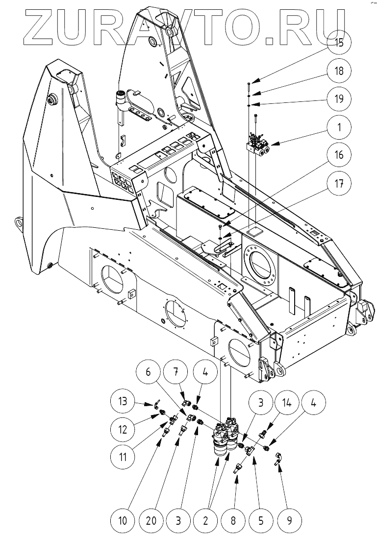
| № | Номер | Наименование | Цена | |
|---|---|---|---|---|
| 1 | 143-10092 | БЛОК ТОРМОЗА | Нет в продаже |
|
| 2 | 026-10282 | ФИЛЬТР | Нет в продаже |
|
| 3 | 145-10036 | АДАПТЕР | Нет в продаже |
|
| 4 | 145-10037 | АДАПТЕР | Нет в продаже |
|
| 5 | 145-10190 | АДАПТЕР | Нет в продаже |
|
| 6 | 145-10186 | АДАПТЕР | Нет в продаже |
|
| 7 | 145-10185 | АДАПТЕР | Нет в продаже |
|
| 8 | 127-12345 | РУКАВ | Нет в продаже |
|
| 9 | 127-12316 | РУКАВ | Нет в продаже |
|
| 10 | 127-12317 | РУКАВ | Нет в продаже |
|
| 11 | 145-10586 | АДАПТЕР | Нет в продаже |
|
| 12 | 145-11147 | АДАПТЕР | Нет в продаже |
|
| 13 | 127-12026 | РУКАВ | Нет в продаже |
|
| 14 | 020-10039 | АДАПТЕР | Нет в продаже |
|
| 15 | М8х60 DIN 931 | БОЛТ | Нет в продаже |
|
| 16 | М10х20 DIN 933 | БОЛТ | Нет в продаже |
|
| 17 | М10 DIN 125 - 1А | Шайба | Нет в продаже |
|
| 18 | М8 DIN 127 | ШАЙБА | Нет в продаже |
|
| 19 | М8 DIN 125 - 1А | Шайба | Нет в продаже |
|
| 20 | 127-12310 | ШЛАНГ | Нет в продаже |
|
1
2
3
3
4
4
5
6
7
8
9
10
11
12
13
14
15
16
17
18
19
20
Содержащиеся в справочниках-каталогах запасные части и детали носят исключительно информационный характер