Оригинальные каталоги
| № | Номер | Наименование | Цена | |
|---|---|---|---|---|
| 08103-02460 | 08103-02460 | BULB, 35W | Нет в продаже |
|
| 08154-10003 | 08154-10003 | GLOBE | Нет в продаже |
|
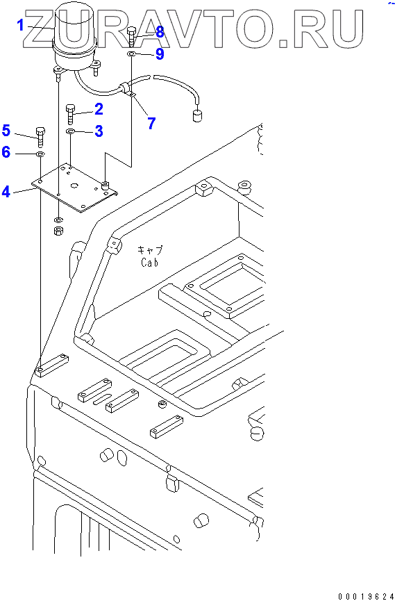
| 1 | 08154-12400 | LAMP ASS'Y | Нет в продаже |
|
| 2 | 01010-80812 | BOLT | Нет в продаже |
|
| 3 | 01643-30823 | WASHER | Нет в продаже |
|
| 4 | 176-06-42630 | BRACKET | Нет в продаже |
|
| 5 | 01010-81020 | BOLT | Нет в продаже |
|
| 6 | 01643-31032 | WASHER | Нет в продаже |
|
| 7 | 04434-50610 | CLIP | Нет в продаже |
|
| 8 | 01010-81016 | BOLT | Нет в продаже |
|
| 9 | 01643-31032 | WASHER | Нет в продаже |
|
1
2
3
7
8
9
Содержащиеся в справочниках-каталогах запасные части и детали носят исключительно информационный характер