Назад

Оригинальные каталоги

zoom-in zoom-out enlarge shrink circle-right circle-left file-text2 info cart
Номер Наименование Цена
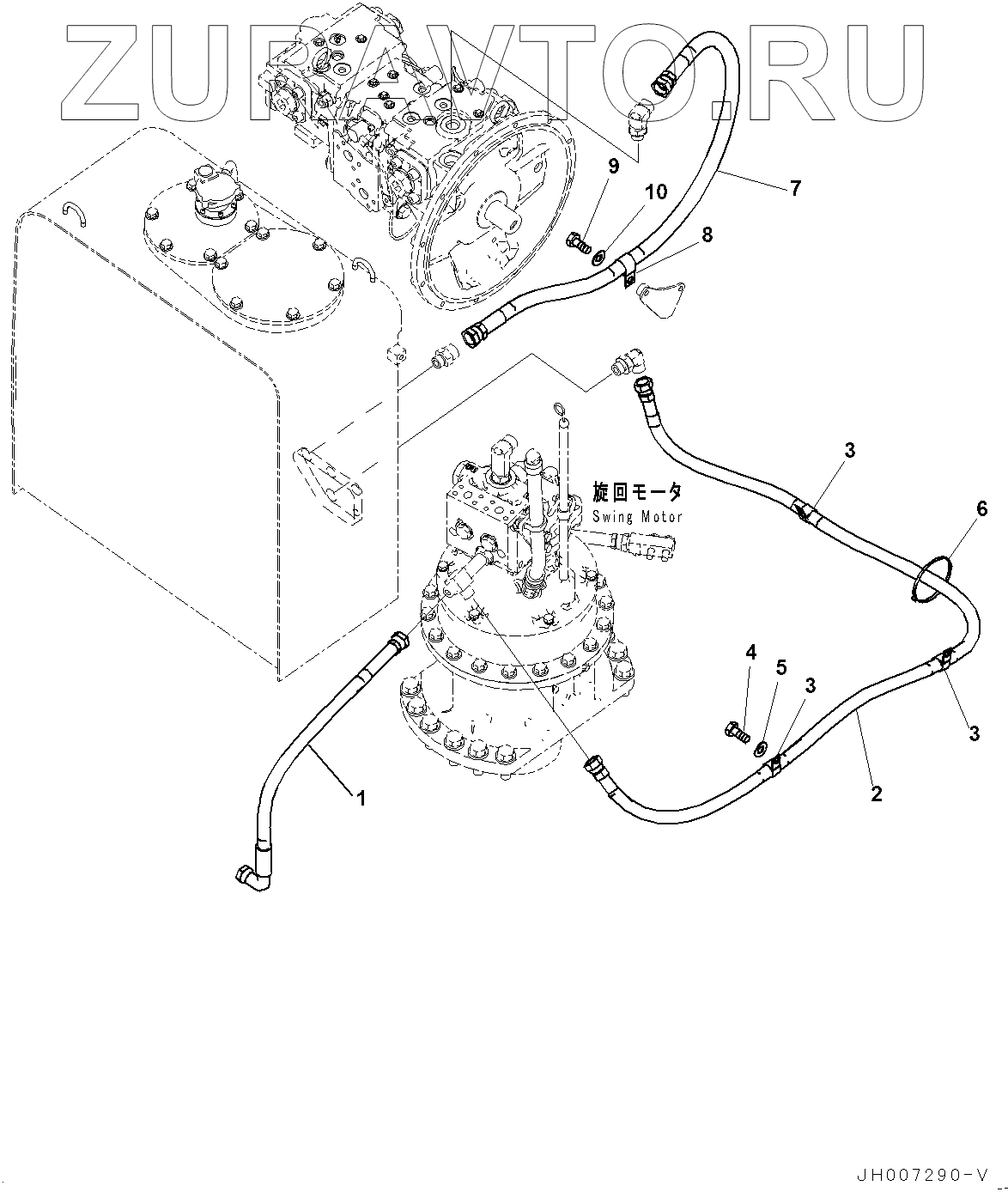
1 20Y-62-54371 Hose Нет в продаже
2 20Y-62-42471 HOSE, 2200MM Нет в продаже
3 04434-52312 CLIP Нет в продаже
4 01010-81225 BOLT Нет в продаже
5 01643-31232 WASHER Нет в продаже
6 08034-20536 BAND Нет в продаже
7 20Y-62-43870 HOSE, 1300MM Нет в продаже
8 04434-52712 CLIP Нет в продаже
9 01010-81225 BOLT Нет в продаже
10 01643-31232 WASHER Нет в продаже
1
2
3
3
3
4
5
6
7
8
9
10
100%
Содержащиеся в справочниках-каталогах запасные части и детали носят исключительно информационный характер