Оригинальные каталоги
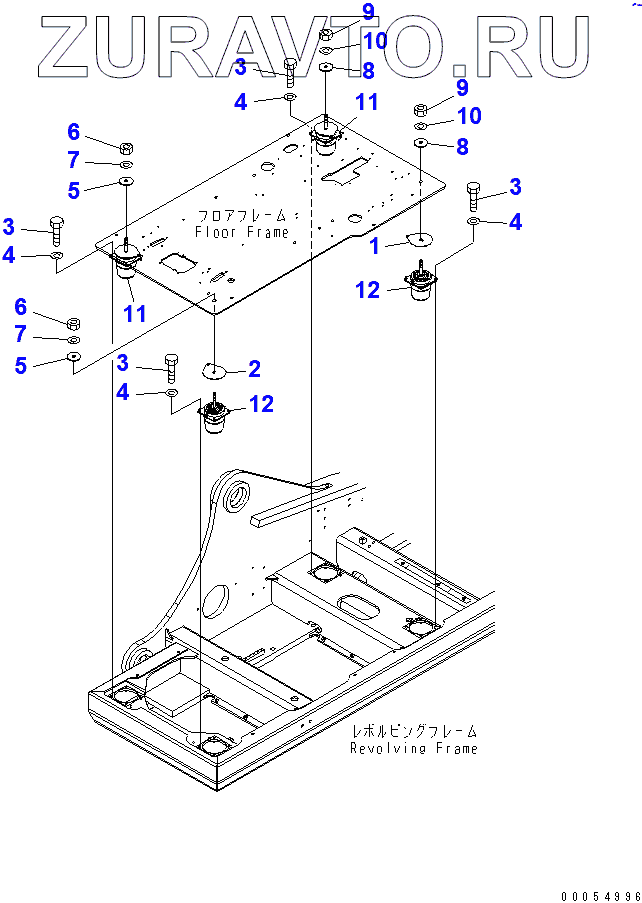
| № | Номер | Наименование | Цена | |
|---|---|---|---|---|
| 1 | 207-54-65132 | SPACER | Нет в продаже |
|
| 1 | 207-54-65130 | SPACER | Нет в продаже |
|
| 2 | 207-54-65260 | SPACER | Нет в продаже |
|
| 2 | 207-54-65130 | SPACER | Нет в продаже |
|
| 3 | 01010-81035 | BOLT | Нет в продаже |
|
| 4 | 01643-31032 | WASHER | Нет в продаже |
|
| 5 | 113-01-21120 | WASHER | Нет в продаже |
|
| 6 | 01580-11613 | NUT | Нет в продаже |
|
| 7 | 01643-31645 | WASHER | Нет в продаже |
|
| 8 | 21T-27-71220 | HOLDER | Нет в продаже |
|
| 9 | 01580-11613 | NUT | Нет в продаже |
|
| 10 | 01643-31645 | WASHER | Нет в продаже |
|
| 11 | 20Y-54-65811 | CUSHION | Нет в продаже |
|
| 11 | 20Y-54-65810 | CUSHION | Нет в продаже |
|
| 12 | 20Y-54-65821 | CUSHION | Нет в продаже |
|
| 12 | 20Y-54-65820 | CUSHION | Нет в продаже |
|
1
1
2
2
3
3
3
4
4
4
5
5
6
6
7
7
8
8
9
10
10
11
11
11
11
12
12
12
12
Содержащиеся в справочниках-каталогах запасные части и детали носят исключительно информационный характер