Оригинальные каталоги
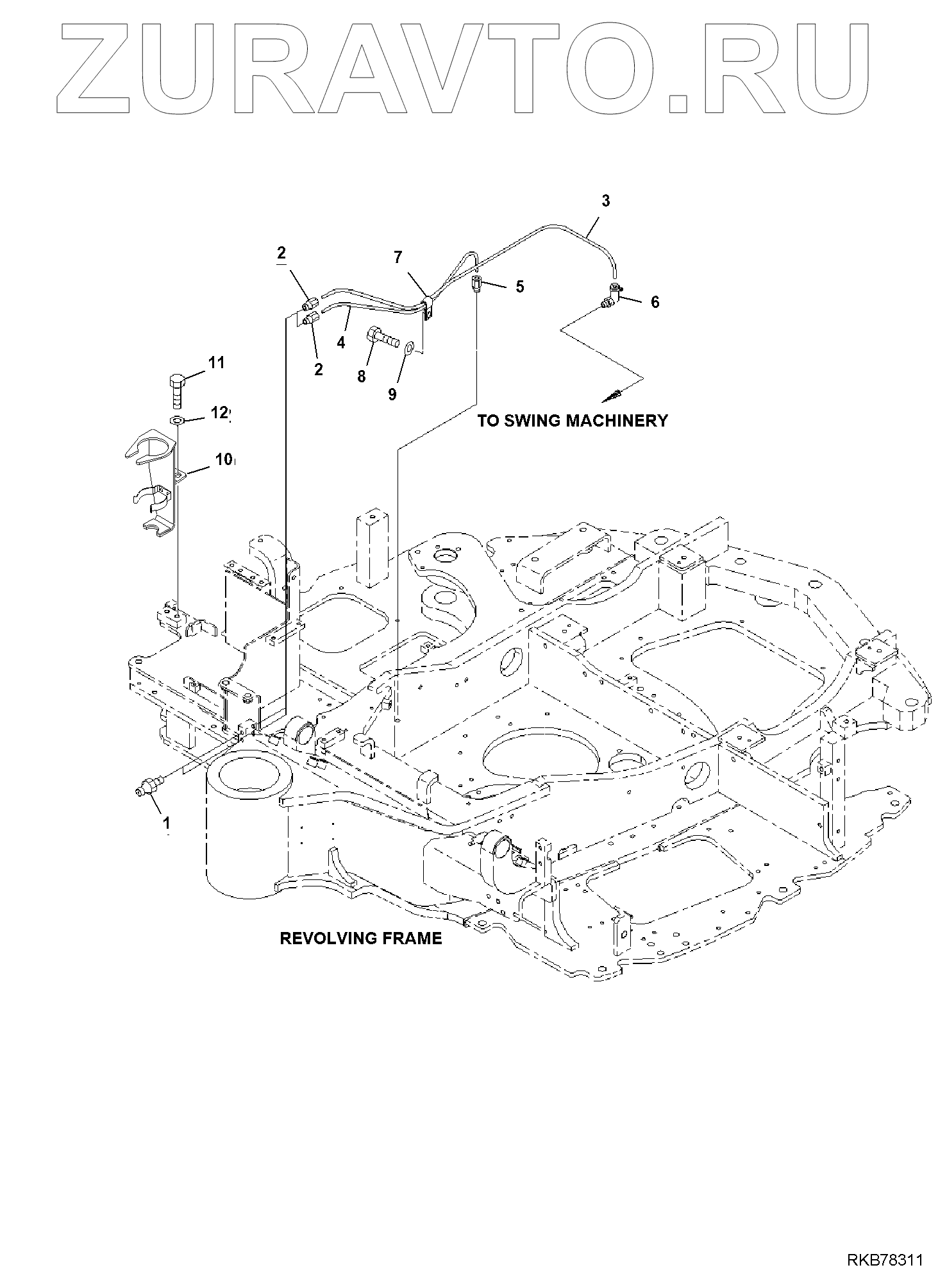
| № | Номер | Наименование | Цена | |
|---|---|---|---|---|
| 1 | 07020-00000 | FITTING, GREASE | Нет в продаже |
|
| 2 | 21R-46-11411 | NIPPLE | Нет в продаже |
|
| 3 | 22L-46-12230 | TUBE | Нет в продаже |
|
| 4 | 22M-46-32230 | TUBE | Нет в продаже |
|
| 5 | 21R-46-11411 | NIPPLE | Нет в продаже |
|
| 6 | 21R-46-11421 | ELBOW | Нет в продаже |
|
| 7 | 04435-51010 | CLAMP | Нет в продаже |
|
| 8 | 01010-81020 | BOLT | Нет в продаже |
|
| 9 | 01643-31032 | WASHER | Нет в продаже |
|
| 10 | 22M-46-31711 | BRACKET | Нет в продаже |
|
| 11 | 01010-81225 | BOLT | Нет в продаже |
|
| 12 | 01643-31232 | WASHER | Нет в продаже |
|
1
2
2
3
4
5
6
7
8
9
10
11
12
Содержащиеся в справочниках-каталогах запасные части и детали носят исключительно информационный характер