Оригинальные каталоги
| № | Номер | Наименование | Цена | |
|---|---|---|---|---|
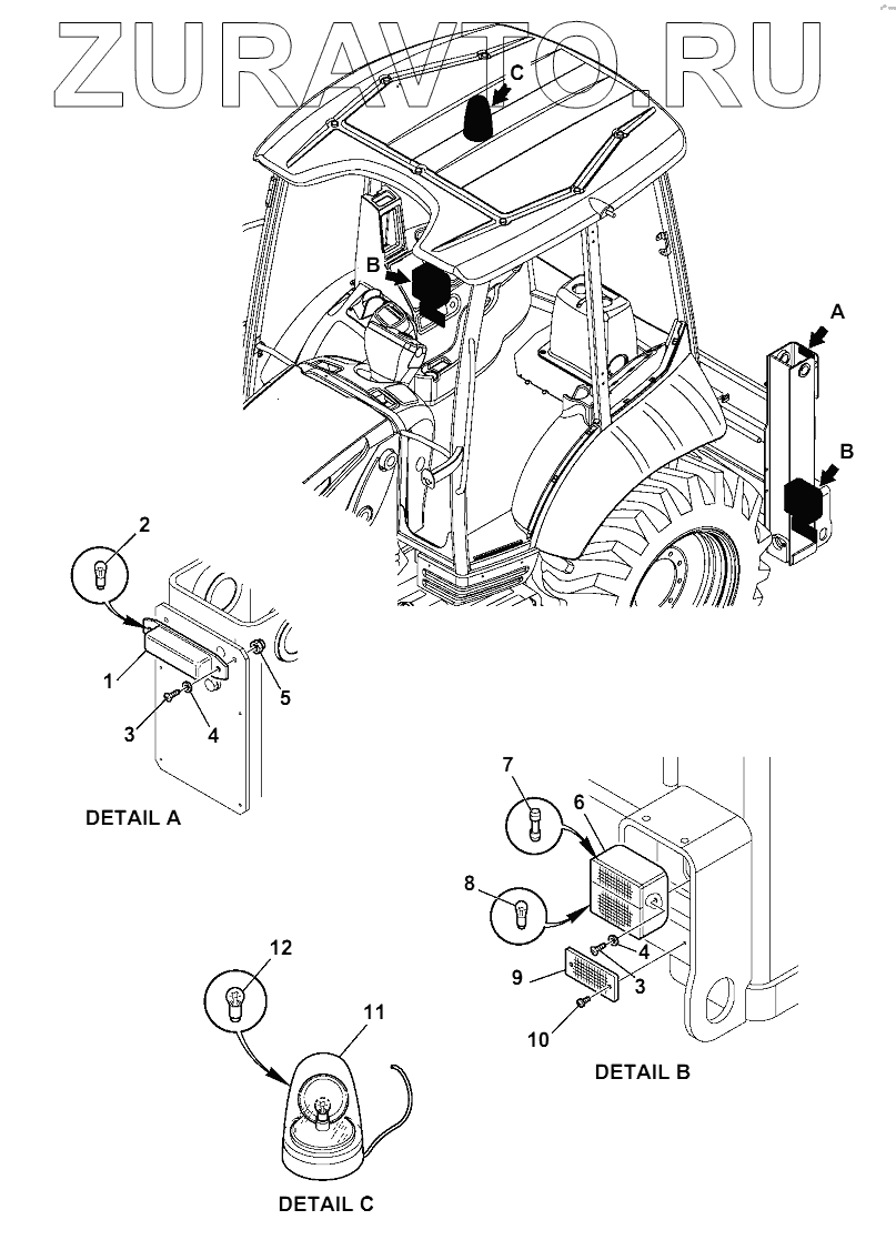
| 1 | 22E-06-11320 | LAMP | Нет в продаже |
|
| 2 | 21D-06-11580 | BULB 5W 12V | Нет в продаже |
|
| 3 | 21D-09-15870 | SCREW | Нет в продаже |
|
| 4 | 01640-20508 | WASHER | Нет в продаже |
|
| 5 | 21D-09-23140 | NUT | Нет в продаже |
|
| 6 | 42N-06-12760 | REAR LIGHT | Нет в продаже |
|
| 7 | 21D-06-11570 | BULB 21W 12V | Нет в продаже |
|
| 8 | 21D-06-11580 | BULB 5W 12V | Нет в продаже |
|
| 9 | 21D-06-11380 | REFLEX REFLECTOR | Нет в продаже |
|
| 10 | 37A-09-1W027 | BOLT | Нет в продаже |
|
| 11 | 395-06-11470 | REVOLVING LIGHT | Нет в продаже |
|
| 12 | BULB | BULB | Нет в продаже |
|
1
2
3
3
4
4
5
6
7
8
9
10
11
12
Содержащиеся в справочниках-каталогах запасные части и детали носят исключительно информационный характер