Главная Публичная оферта Политика обработки персональных данных Правовая информация Как сделать заказ Доставка Оплата Возврат Гарантийная политика Покупателям Поставщикам Оптовым покупателям Партнерам Помощь Доставка Оптовикам Поставщикам Вакансии Контакты
КТ кнопка Оригинальные каталоги Болты Блок цилиндров Вал распределительный Вал коленчатый Вкладыши Втулка Генератор Гильза Головка блока цилиндров Датчик Кольца Коллектор Компрессор Насос Поршень Поддон Прокладки Ремень Ролик Стартер Турбокомпрессор Форсунка Фильтр Хомуты Шатун Запчасти КАММИНЗ Запчасти КАМАЗ Тягово-сцепные устройства 10. Двигатель 13. Система охлаждения 16. Сцепление 17. Коробка передач 18. Коробка раздаточная 22. Валы карданные 24. Мост задний 35. Тормоза 29. Подвеска 34. Управление рулевое Запчасти ГАЗ
Правовая информация Публичная оферта Политика обработки персональных данных Покупателям Как сделать заказ Доставка Оплата Возврат Гарантийная политика Партнерам Поставщикам Оптовым покупателям
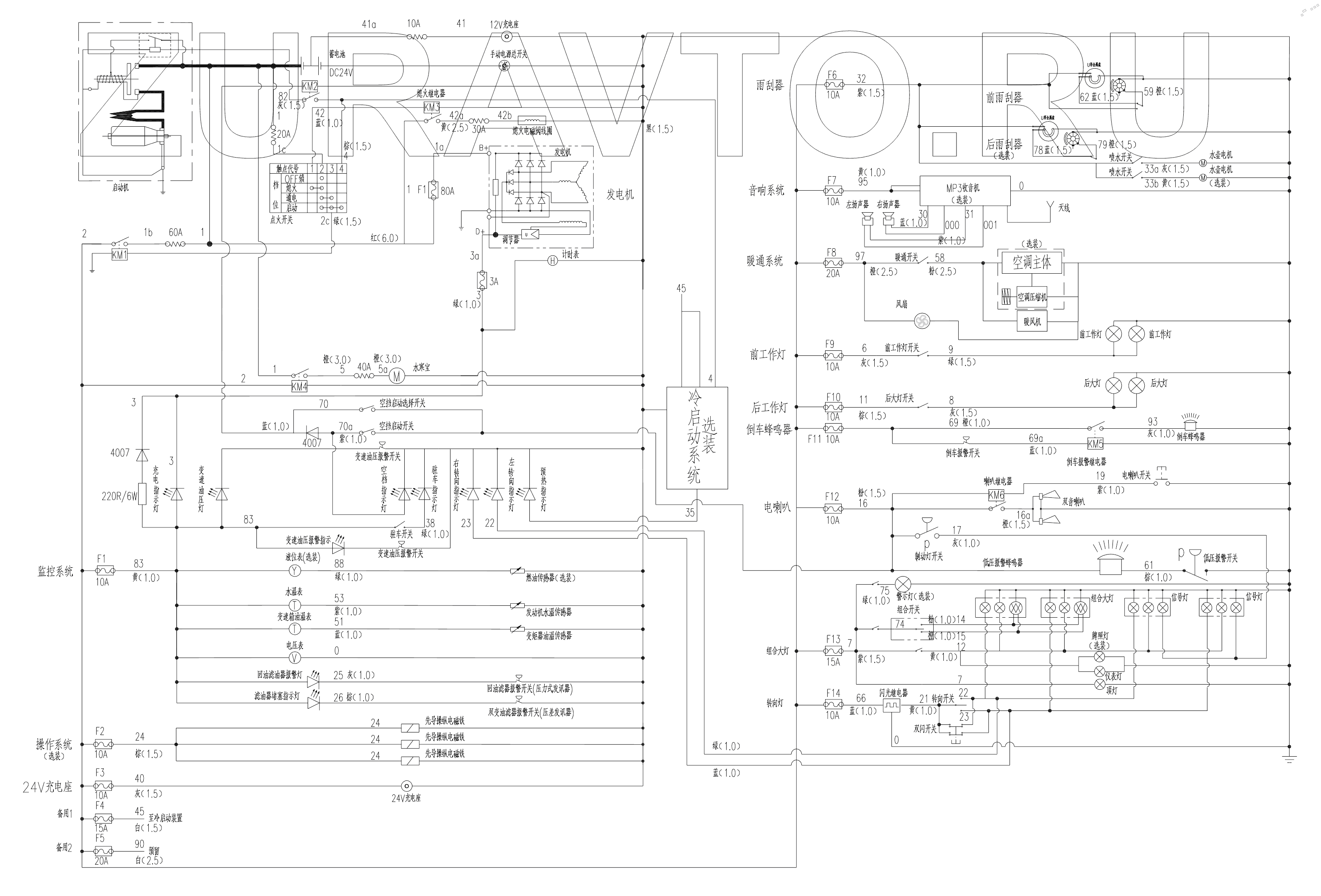
Каталоги запчастей к технике Спецтехника Lonking (LongGong) LG833NG ELECTRICAL SCHEMATIC zoom-in zoom-out enlarge shrink circle-right circle-left file-text2 info cart № Номер Наименование Цена − 100% + Содержащиеся в справочниках-каталогах запасные части и детали носят исключительно информационный характер
Офис и склад компании: 423800, р. Татарстан, г. Набережные Челны, ул. Мензелинский тракт 52а, офис ― 506. Посмотреть на карте 8 800 301-72-888 (8552) 78-51-88 (прямой номер офиса) пн-пт: с 8:00 до 17:00, сб,вс: выходной E-mail: