Оригинальные каталоги
| № | Номер | Наименование | Цена | |
|---|---|---|---|---|
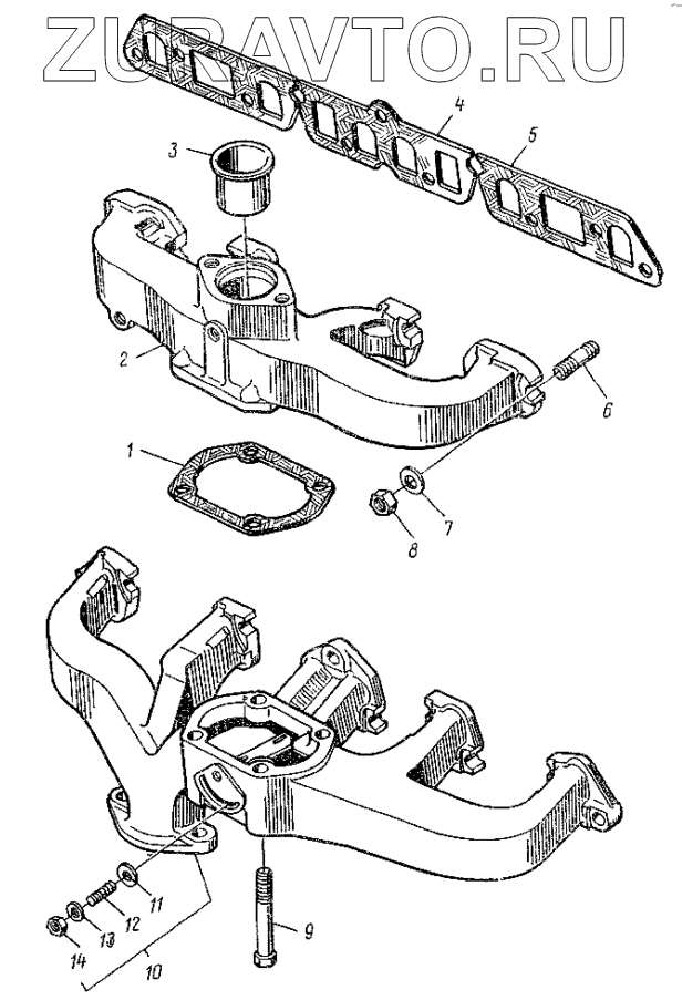
| 51-1008010-И | 51-1008010-И | Газопровод в сборе | Нет в продаже |
|
| 1 | 12-1008019-Б | Прокладка | Нет в продаже |
|
| 2 | 51-1008015-Д | Труба впускная | Нет в продаже |
|
| 3 | 51А-1008130 | Втулка направляющая | Нет в продаже |
|
| 4 | 12-1008080 | Прокладка средняя | Нет в продаже |
|
| 5 | 12-1008084 | Прокладка крайняя | Нет в продаже |
|
| 6 | 291798-П | Шпилька М10х1,25х30 | Нет в продаже |
|
| 7 | 293318-П | Шайба 10 | Нет в продаже |
|
| 8 | 292782-П | Гайка М10х1 | Нет в продаже |
|
| 9 | 200325-П | Болт М10х80 | Нет в продаже |
|
| 10 | 51-1008024-Б | Коллектор выпускной в сборе | Нет в продаже |
|
| 11 | 293236-П | Шайба 7 | Нет в продаже |
|
| 12 | 291678-П | Шпилька М6х0,75х14 | Нет в продаже |
|
| 13 | 252004-П8 | Шайба 6 | Нет в продаже |
|
| 14 | 250533-П | Гайка М6х0,75 | Нет в продаже |
|
51-1008010-И
1
2
3
4
5
6
7
8
9
10
11
12
13
14
Содержащиеся в справочниках-каталогах запасные части и детали носят исключительно информационный характер