Оригинальные каталоги
| № | Номер | Наименование | Цена | |
|---|---|---|---|---|
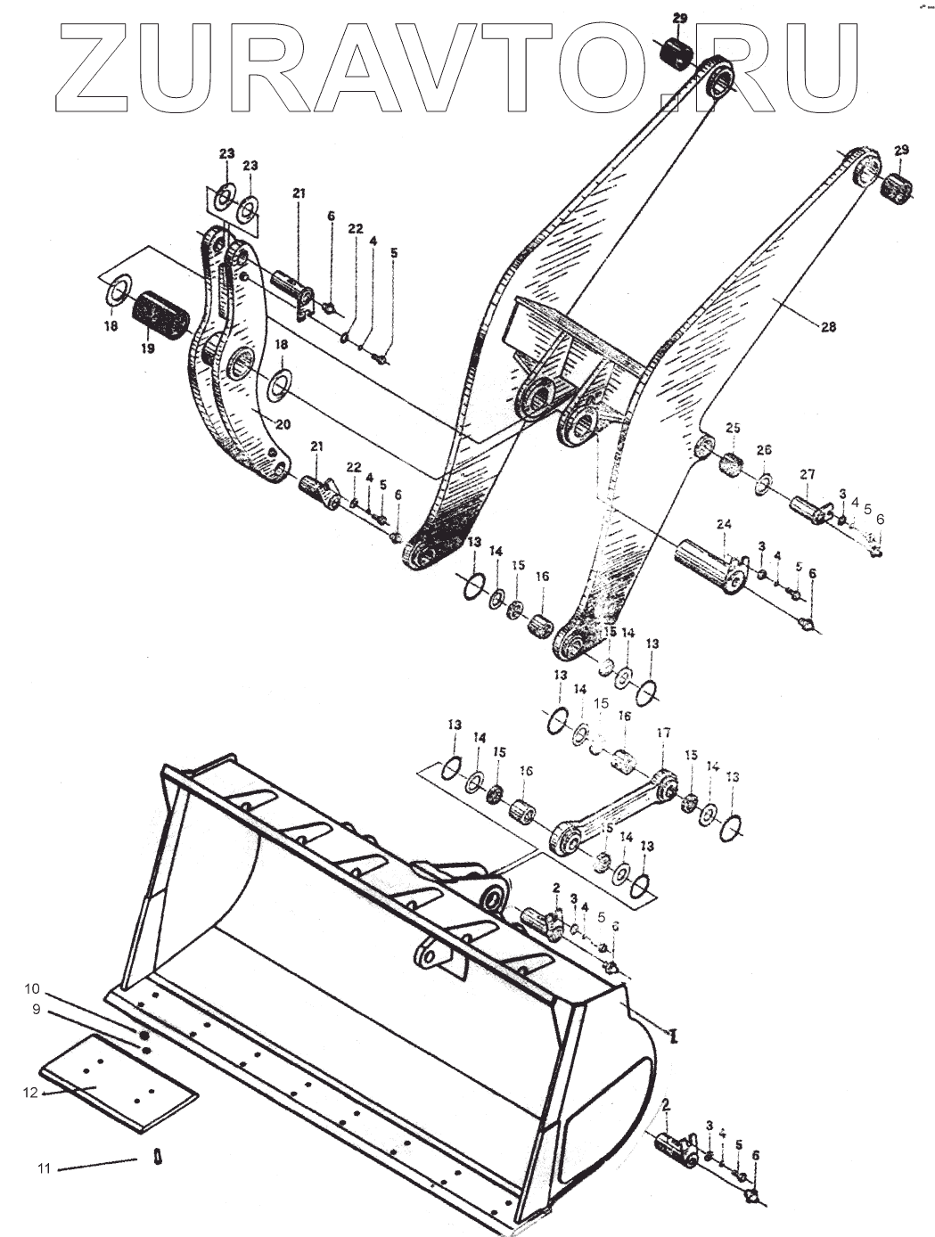
| 1 | Z5GCS.8.1.1A | КОВШ | Нет в продаже |
|
| 2 | Z5G.8.7 | ШПИЛЬКА | Нет в продаже |
|
| 3 | 85Z.06-5 | ШАЙБА | Нет в продаже |
|
| 4 | GB93-87 | ШАЙБА 12 | Нет в продаже |
|
| 5 | GB5783-86 | БОЛТ М10х30 | Нет в продаже |
|
| 6 | GB1152-89 | МАСЛЕНКА M10х1 | Нет в продаже |
|
| 9 | GB93-87 | ШАЙБА 12 | Нет в продаже |
|
| 10 | ZL40A.11.1-19 | ГАЙКА | Нет в продаже |
|
| 11 | Z5GCS.8.2-2 | БОЛТ | Нет в продаже |
|
| 12 | Z5GCS.8.2-1 | ПЛАСТИНА | Нет в продаже |
|
| 13 | Z5G.8-5 | КОЛЬЦО | Нет в продаже |
|
| 14 | ZL50E.6-19 | РЕГУЛИРОВОЧНАЯ ПРОКЛАДКА | Нет в продаже |
|
| 15 | GB9877.1-88 | УПЛОТНЕНИЕ FB95x130x12 | Нет в продаже |
|
| 16 | Z5G.8-6A | ВТУЛКА ВАЛА | Нет в продаже |
|
| 17 | Z5G8.3 | СОЕДИНИТЕЛЬНЫЙ ЭЛЕМЕНТ | Нет в продаже |
|
| 18 | ZL50E.8-12 | РЕГУЛИРОВОЧНАЯ ПРОКЛАДКА | Нет в продаже |
|
| 19 | Z5G.8-2 | ВТУЛКА ВАЛА | Нет в продаже |
|
| 20 | Z5G.8.4 | РЫЧАГ НАКЛОНА | Нет в продаже |
|
| 21 | Z5G.8.6 | ШПИЛЬКА | Нет в продаже |
|
| 22 | ZL50E.8-4 | БЛОК | Нет в продаже |
|
| 23 | ZL50E.6-19 | РЕГУЛИРОВОЧНАЯ ПРОКЛАДКА | Нет в продаже |
|
| 24 | Z5G.8.5 | ВТУЛКА ВАЛА | Нет в продаже |
|
| 25 | Z5G.8-1 | ВТУЛКА ВАЛА | Нет в продаже |
|
| 26 | ZL50E.8-16 | ШАЙБА | Нет в продаже |
|
| 27 | ZL50E.8.7 | ШПИЛЬКА ВАЛА | Нет в продаже |
|
| 28 | Z5G.8.2 | РЫЧАГ ПОДЪЕМА | Нет в продаже |
|
| 29 | Z5G.8-3 | ВТУЛКА ВАЛА | Нет в продаже |
|
1
2
2
3
3
3
3
4
4
4
4
4
4
5
5
5
5
5
5
6
6
6
6
6
6
9
10
11
12
13
13
13
13
13
13
14
14
14
14
14
14
15
15
15
15
15
15
16
16
16
17
18
18
19
20
21
21
22
22
23
23
24
25
26
27
28
29
29
Содержащиеся в справочниках-каталогах запасные части и детали носят исключительно информационный характер