Оригинальные каталоги
| № | Номер | Наименование | Цена | |
|---|---|---|---|---|
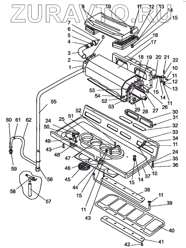
| МЛ131-8101700 | МЛ131-8101700 | Система отопления | Нет в продаже |
|
| 1 | МЛ131-8101105-01 | Стенка | Нет в продаже |
|
| 2 | МЛ131-8101811-01 | Уплотнитель | Нет в продаже |
|
| 3 | 1,02114E+11 | Воздуховод | Нет в продаже |
|
| 4 | 1,02114E+11 | Воздуховод | Нет в продаже |
|
| 5 | 50-70/9-C6W | Хомут NORMA TORRO | Нет в продаже |
|
| 6 | 2,01576E+11 | Дефлектор | Нет в продаже |
|
| 7 | 4x10.019 | Шуруп | Нет в продаже |
|
| 8 | 1522-8101101-01 | Косынка | Нет в продаже |
|
| 9 | 80-8101760 | Крышка | Нет в продаже |
|
| 10 | M6-6gx16.88.35.019 | Болт | Нет в продаже |
|
| 11 | С6.01.019 | Шайба | Нет в продаже |
|
| 12 | 80-8104070 | Фильтр | Нет в продаже |
|
| 13 | 80-8101714-04 | Уплотнитель | Нет в продаже |
|
| 14 | 4598166045 | Шайба 6Т | Нет в продаже |
|
| 15 | М6-6Н.5.019 | Гайка | Нет в продаже |
|
| 16 | ЭВИ-12-1-02 | Вентилятор | Нет в продаже |
|
| 17 | 1522-8101105 | Обивка | Нет в продаже |
|
| 18 | 1522-8104104 | Крышка | Нет в продаже |
|
| 19 | 1522-8101101 | Косынка | Нет в продаже |
|
| 20 | B.M5-6gx10.58.019 | Винт | Нет в продаже |
|
| 21 | M8-6gx16.88.35.019 | Болт | Нет в продаже |
|
| 22 | 80-8101201 | Кронштейн | Нет в продаже |
|
| 23 | С8.01.019 | Шайба | Нет в продаже |
|
| 24 | 4598166046 | Шайба 8Т | Нет в продаже |
|
| 25 | М8-6Н.6.019 | Гайка | Нет в продаже |
|
| 26 | 4598166044 | Шайба 5Т | Нет в продаже |
|
| 27 | М5-6Н.6.019 | Гайка ГОСТ 5915-70 | Нет в продаже |
|
| 28 | 1522-8101060 | Радиатор | Нет в продаже |
|
| 29 | МЛ131-8101105 | Стенка | Нет в продаже |
|
| 30 | 80-8100011-Б | Крышка | Нет в продаже |
|
| 31 | B.M6-6gx16.58.019 | Винт | Нет в продаже |
|
| 32 | 80-8100012 | Заслонка | Нет в продаже |
|
| 33 | МЛ131-8100100 | Панель | Нет в продаже |
|
| 34 | 70-6702111 | Угольник | Нет в продаже |
|
| 35 | M8-6gx20.88.35.019 | Болт | Нет в продаже |
|
| 36 | А30.04.017-01 | Колпачок | Нет в продаже |
|
| 37 | 80-8101713 | Обивка | Нет в продаже |
|
| 38 | 70-8204015 | Держатель | Нет в продаже |
|
| 39 | 80П-8204011-01 | Ось | Нет в продаже |
|
| 40 | 70-8204011-А | Козырек | Нет в продаже |
|
| 41 | 70-8204014 | Держатель | Нет в продаже |
|
| 42 | B.M4-6gx8.58.019 | Винт | Нет в продаже |
|
| 43 | B.M6-6gx20.58.019 | Винт | Нет в продаже |
|
| 44 | 80-8101813 | Рамка | Нет в продаже |
|
| 45 | 1522-8104100 | Дефлектор | Нет в продаже |
|
| 46 | 80-8100092 | Уплотнитель | Нет в продаже |
|
| 47 | МЛ127-8101811-02 | Уплотнитель | Нет в продаже |
|
| 48 | 2x12.019 | Шплинт | Нет в продаже |
|
| 49 | 50-8400031 | Ось | Нет в продаже |
|
| 50 | 80-8100048 | Петля | Нет в продаже |
|
| 51 | 1522-8104105 | Скоба | Нет в продаже |
|
| 52 | 2-4x16.019 | Шуруп | Нет в продаже |
|
| 53 | МЛ131-8101811 | Уплотнитель | Нет в продаже |
|
| 54 | С5.01.019 | Шайба | Нет в продаже |
|
| 55 | МЛ127-8101702-02 | Шланг | Нет в продаже |
|
| 56 | 80-8100050 | Кран | Нет в продаже |
|
| 57 | МЛ127-8101702 | Шланг | Нет в продаже |
|
| 58 | ВС-11 | Кран | Нет в продаже |
|
| 59 | 80-8100023 | Штуцер | Нет в продаже |
|
| 60 | 0-32/9-C6W | Хомут «Норма» TORRO 2 | Нет в продаже |
|
| 61 | МЛ127-8101702-01 | Шланг | Нет в продаже |
|
| 62 | 80-3723045-01 | Манжета | Нет в продаже |
|
МЛ131-8101700
1
2
3
4
5
6
7
8
9
10
10
10
11
11
11
11
11
11
12
12
13
13
14
14
14
15
15
15
15
16
17
18
19
20
21
22
24
24
25
26
27
28
29
30
31
32
33
34
35
36
37
38
39
40
41
42
43
43
44
45
46
47
48
49
50
51
52
52
53
53
54
55
56
57
58
59
60
61
62
Содержащиеся в справочниках-каталогах запасные части и детали носят исключительно информационный характер