Оригинальные каталоги
| № | Номер | Наименование | Цена | |
|---|---|---|---|---|
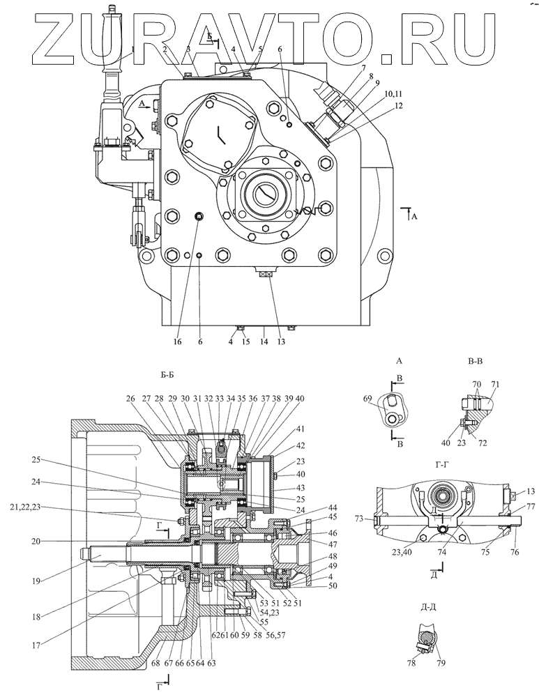
| МР 40-1601020 | МР 40-1601020 | Корпус сцепления | Нет в продаже |
|
| 1 | МР40-1602010 | Управление сцеплением | Нет в продаже |
|
| 2 | МР40-1601042 | Прокладка | Нет в продаже |
|
| 3 | МР40-1601043 | Крышка | Нет в продаже |
|
| 4 | 4598166046 | Шайба 8Т | Нет в продаже |
|
| 5 | М8-6gх25.88.35.019 | Болт | Нет в продаже |
|
| 6 | ШЦК 10x36 | Штифт | Нет в продаже |
|
| 7 | МР40-1601051 | Прокладка | Нет в продаже |
|
| 8 | МР40-1601090 | Горловина заправочная | Нет в продаже |
|
| 9 | М30х1.5 -22 | Гайка | Нет в продаже |
|
| 10 | М6-6gх20.88.35.019 | Болт | Нет в продаже |
|
| 11 | 4598166045 | Шайба 6Т | Нет в продаже |
|
| 12 | МР40-1601080 | Крышка | Нет в продаже |
|
| 13 | "ПК КГ 11-4""" | Пробка | Нет в продаже |
|
| 14 | 50-1601341 | Крышка сцепления | Нет в продаже |
|
| 15 | М8-6gх16.88.35.019 | Болт | Нет в продаже |
|
| 16 | "ПК КГ 3/8""" | Пробка | Нет в продаже |
|
| 17 | 240-1002055 | Манжета 2.1-50х70-4 | Нет в продаже |
|
| 18 | МР40-1601031 | Вал | Нет в продаже |
|
| 19 | 2025-1601113 | Вал | Нет в продаже |
|
| 20 | 85-1601172 | Кронштейн | Нет в продаже |
|
| 21 | М10-6Н.6.019 | Гайка | Нет в продаже |
|
| 22 | М10 3р/6gх25.019 | Шпилька | Нет в продаже |
|
| 23 | 4598166067 | Шайба 10ОТ | Нет в продаже |
|
| 24 | 112 | Подшипник | Нет в продаже |
|
| 25 | С45 | Кольцо | Нет в продаже |
|
| 26 | МР40-1601038 | Крышка | Нет в продаже |
|
| 27 | МР40-1601047 | Прокладка | Нет в продаже |
|
| 28 | МР40-1601037 | Кольцо | Нет в продаже |
|
| 29 | МР40-1601034 | Втулка | Нет в продаже |
|
| 30 | МР40-1601032 | Шестерня | Нет в продаже |
|
| 31 | 6644913Е | Подшипник | Нет в продаже |
|
| 32 | 80-1601190 | Вилка со штифтом в сборе | Нет в продаже |
|
| 33 | 50-4604046 | Болт вилки | Нет в продаже |
|
| 34 | 3,2x25.019 | Шплинт | Нет в продаже |
|
| 35 | 112-1701343 | Муфта | Нет в продаже |
|
| 36 | МР40-1601029 | Вал | Нет в продаже |
|
| 37 | 115-120-30-2-2 | Кольцо | Нет в продаже |
|
| 38 | МР40-1601028 | Муфта зубчатая | Нет в продаже |
|
| 39 | 2С95 | Кольцо | Нет в продаже |
|
| 40 | МЛ127-3400633 | Проставка | Нет в продаже |
|
| 41 | М10-6gх20.88.35.019 | Болт | Нет в продаже |
|
| 42 | МЛ127-00637 | Прокладка | Нет в продаже |
|
| 43 | МЛ127-3400636 | Крышка | Нет в продаже |
|
| 44 | 364-1802014 | Крышка | Нет в продаже |
|
| 45 | 105-110-30-2-2 | Кольцо | Нет в продаже |
|
| 46 | 2.2-65x90-1 | Манжета | Нет в продаже |
|
| 47 | МР40-1601060 | Вал | Нет в продаже |
|
| 48 | МР40-1601036 | Кольцо | Нет в продаже |
|
| 49 | М8-6gх30.88.35.019 | Болт | Нет в продаже |
|
| 50 | МР40-1601027 | Проставка | Нет в продаже |
|
| 51 | 210 А | Подшипник | Нет в продаже |
|
| 52 | МР40-1601033 | Втулка | Нет в продаже |
|
| 53 | 2С50 | Кольцо | Нет в продаже |
|
| 54 | М10-6gх40.88.35.019 | Болт | Нет в продаже |
|
| 55 | МР40-1601049 | Прокладка | Нет в продаже |
|
| 56 | М12-6gх50.88.35.019 | Болт | Нет в продаже |
|
| 57 | 4598166068 | Шайба 12ОТ | Нет в продаже |
|
| 58 | МР40-1601026 | Крышка | Нет в продаже |
|
| 59 | МР40-1601039 | Прокладка | Нет в продаже |
|
| 60 | 2С90 | Кольцо | Нет в продаже |
|
| 61 | 2С115 | Кольцо | Нет в продаже |
|
| 62 | 115К5 | Подшипник | Нет в продаже |
|
| 63 | 2022-1601060 | Втулка | Нет в продаже |
|
| 64 | 2.2-50x70-1 | Манжета | Нет в продаже |
|
| 65 | 6-12115ЕМ | Подшипник | Нет в продаже |
|
| 66 | 80-1601319 | Шайба | Нет в продаже |
|
| 67 | 80-1601173 | Прокладка | Нет в продаже |
|
| 68 | МР40-1601015 | Корпус | Нет в продаже |
|
| 69 | МР40-1601041 | Пластина | Нет в продаже |
|
| 70 | 020-025-30-1-4 | Кольцо | Нет в продаже |
|
| 71 | МР40-1601044 | Валик | Нет в продаже |
|
| 72 | С 10.01.019 | Шайба | Нет в продаже |
|
| 73 | 50-1601022 | Заглушка | Нет в продаже |
|
| 74 | МР40-1601046 | Прокладка | Нет в продаже |
|
| 75 | 80-4608024 | Кольцо | Нет в продаже |
|
| 76 | СШ-611 | Шпонка | Нет в продаже |
|
| 77 | 36-1601016 | Корпус пылеотражателя | Нет в продаже |
|
| 78 | 50-1601218 | Шпонка | Нет в продаже |
|
| 79 | 85-1601203 | Вилка | Нет в продаже |
|
МР 40-1601020
1
2
3
4
4
4
5
6
6
7
8
9
10
11
12
13
13
14
15
16
17
18
19
20
21
22
23
23
23
23
23
24
24
25
25
26
27
28
29
30
31
32
33
34
35
36
37
38
39
40
40
40
40
41
42
43
44
45
46
47
48
49
50
51
51
52
53
54
55
56
57
58
59
60
61
62
63
64
65
66
67
68
69
70
71
72
73
74
75
76
77
78
79
Содержащиеся в справочниках-каталогах запасные части и детали носят исключительно информационный характер