Оригинальные каталоги
| № | Номер | Наименование | Цена | |
|---|---|---|---|---|
| 5501 0398 | 5501 0398 | Вкладыш шатуна для 2-й перешлифовки цапф | Нет в продаже |
|
| 5501 0397 | 5501 0397 | Вкладыш шатуна для 3-й перешлифовки цапф | Нет в продаже |
|
| 5501 0399 | 5501 0399 | Вкладьш шатуна для 1-й перешлифовки цапф | Нет в продаже |
|
| 7101 0309 | 7101 0309 | Шатун в сборе | Нет в продаже |
|
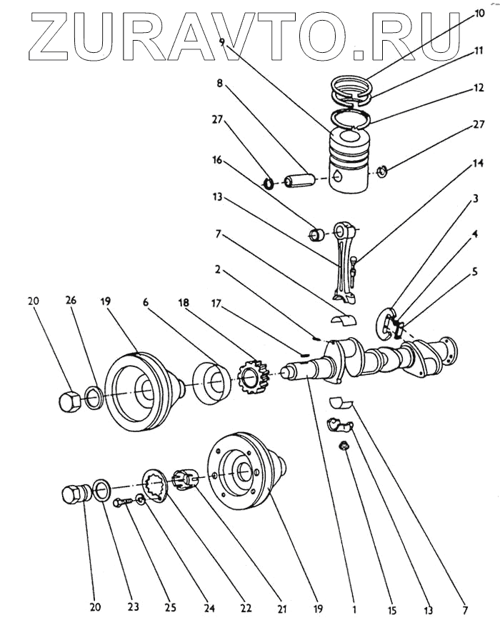
| 1 | 3001 0301 | Коленчатый вал | Нет в продаже |
|
| 2 | 95 0301 | Пробка коленчатого вала | Нет в продаже |
|
| 3 | 95 0302 | Противовес | Нет в продаже |
|
| 4 | 95 0303 | Винт противовеса | Нет в продаже |
|
| 5 | 95 0304 | Прокладка винта противовеса | Нет в продаже |
|
| 6 | 5501 0303 | Маслоотражатель передний | Нет в продаже |
|
| 7 | 5501 0304 | Вкладыш шатуна | Нет в продаже |
|
| 8 | 6701 0332 | Поршневой палец | Нет в продаже |
|
| 9 | 7201 0303 | Поршенъ | Нет в продаже |
|
| 10 | 6901 0381 | Поршневое кольцо 102х2 | Нет в продаже |
|
| 11 | 7101 0304 | Поршневое кольцо 102х3 | Нет в продаже |
|
| 12 | 6901 0380 | Поршневое кольцо 102х5 | Нет в продаже |
|
| 13 | 7101 0305 | Шатун | Нет в продаже |
|
| 14 | 6901 0386 | Винт шатуна | Нет в продаже |
|
| 15 | 6901 0373 | Гайка винта шатуна | Нет в продаже |
|
| 16 | 95 0311 | Втулка шатуна | Нет в продаже |
|
| 17 | 99 7908 | Шпонка 10h9х8х56 | Нет в продаже |
|
| 18 | 6901 0399 | Распределительное колесо | Нет в продаже |
|
| 19 | 95 0330 | Шкив мотора | Нет в продаже |
|
| 20 | 5501 0310 | Гайка | Нет в продаже |
|
| 21 | 6901 0393 | Конусный элемент | Нет в продаже |
|
| 22 | 6901 0394 | Предохранительный лист | Нет в продаже |
|
| 23 | 97 4513 | Кольцо 42х2 | Нет в продаже |
|
| 24 | 99 4806 | Шайба 8,2 | Нет в продаже |
|
| 25 | 99 9002 | Болт М8х14 | Нет в продаже |
|
| 26 | 95 0321 | Шайба | Нет в продаже |
|
| 27 | 97 0288 | Стопорное кольцо 35 | Нет в продаже |
|
1
2
3
4
5
6
7
7
8
9
10
11
12
13
13
14
15
16
17
18
19
19
20
20
21
22
23
24
25
26
27
27
Содержащиеся в справочниках-каталогах запасные части и детали носят исключительно информационный характер