Оригинальные каталоги
| № | Номер | Наименование | Цена | |
|---|---|---|---|---|
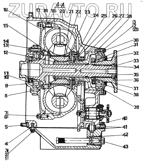
| 46-14-6-10-СП | 46-14-6-10-СП | Гидротрансформатор | Нет в продаже |
|
| 46-14-6-20-СП | 46-14-6-20-СП | Гидротрансформатор | Нет в продаже |
|
| 46-14-6-СП | 46-14-6-СП | Гидротрансформатор | Нет в продаже |
|
| 1 | 290330 | Шпилька М12(1,75-3n)/(1,25-6g)х32.66.013 ГОСТ 22038-76 | Нет в продаже |
|
| 1 | 290330-10 | Шпилька М12х(1,75-3п)/(1,25-6g)х32.66.019 ГОСТ 22038-76 | Нет в продаже |
|
| 1 | 290330-20 | Шпилька М12х(1,75-3п)/(1,25-6g)х32.66.029 ГОСТ 22038-76 | Нет в продаже |
|
| 2 | Шайба 12.0Т.65Г.019 ГОСТ 6402-70 | Шайба 12.0Т.65Г.019 ГОСТ 6402-70 | Нет в продаже |
|
| 2 | Шайба 12.0Т.65Г.0221 ГОСТ 6402-70 | Шайба 12.0Т.65Г.0221 ГОСТ 6402-70 | Нет в продаже |
|
| 3 | Гайка М12х1,25-6Н.6.029 ГОСТ 5915-70 | Гайка М12х1,25-6Н.6.029 ГОСТ 5915-70 | Нет в продаже |
|
| 3 | Гайка М12х1,25-6Н.6.019 ГОСТ 5915-70 | Гайка М12х1,25-6Н.6.019 ГОСТ 5915-70 | Нет в продаже |
|
| 4 | 700-40-4874 | Прокладка | Нет в продаже |
|
| 4 | 700-40-4874-20 | Прокладка | Нет в продаже |
|
| 5 | 290555-10 | Шпилька М16х(2-3п/1,5-6g)х50.66 019 ГОСТ 22038-76 | Нет в продаже |
|
| 5 | 290555 | Шпилька М16х(2-3п/1,5-6g)х50.66. 013 ГОСТ22038-76 | Нет в продаже |
|
| 6 | 300270 | Гайка М16х1,5-6Н.12.40Х019 ГОСТ 15521-70 | Нет в продаже |
|
| 6 | 30 0270-20 | Гайка М16х1,5-6Н.12.40Х.029 ГОСТ 15521-70 | Нет в продаже |
|
| 6 | 290555-20 | Шпилька М16х(2-3п/1,5-6g)х50.66 029 ГОСТ 22038-76 | Нет в продаже |
|
| 7 | 700-31-2468-20 | Пластина стопорная | Нет в продаже |
|
| 7 | 700-31-2468-10 | Пластина стопорная | Нет в продаже |
|
| 7 | 700-31-2468 | Пластина стопорная | Нет в продаже |
|
| 8 | 32 5465 | Штифт | Нет в продаже |
|
| 9 | 46-14-51 | Муфта | Нет в продаже |
|
| 10 | 350720 | Винт | Нет в продаже |
|
| 11 | 700-30-2257 | Гайка | Нет в продаже |
|
| 11 | 700-30-2257-20 | Гайка | Нет в продаже |
|
| 12 | 580705 | Кольцо С90 ГОСТ 13940-86 | Нет в продаже |
|
| 13 | 285555-20 | Болт | Нет в продаже |
|
| 13 | 285555 | Болт | Нет в продаже |
|
| 14 | Проволока 1 ,6-0-С ГОСТ 3282-74 | Проволока 1 ,6-0-С ГОСТ 3282-74 | Нет в продаже |
|
| 15 | 580855 | Кольцо С155 ГОСТ 13940-86 | Нет в продаже |
|
| 16 | 46-14-115-СП | Фланец | Нет в продаже |
|
| 17 | 480-490-58-2-51-1668 | Кольцо ГОСТ 9833-73/ГОСТ 18829-73 | Нет в продаже |
|
| 18 | 25.01-14-28 | Пробка | Нет в продаже |
|
| 19 | 46-14-116-СП | Колесо | Нет в продаже |
|
| 19 | 46-14-116-20-СП | Колесо | Нет в продаже |
|
| 19 | 46-14-116-10-СП | Колесо | Нет в продаже |
|
| 20 | 46-14-192 | Корпус | Нет в продаже |
|
| 21 | 25-14-86 | Колесо реактора | Нет в продаже |
|
| 22 | 25.01-14-103-СП | Муфта | Нет в продаже |
|
| 23 | 25-14-144 | Кольцо | Нет в продаже |
|
| 24 | 700-58-2118 | Кольцо С160 ГОСТ 13941-86 | Нет в продаже |
|
| 25 | 6-32121Л1 | Подшипник ГОСТ 8328-75 | Нет в продаже |
|
| 26 | 700-58-2356 | Кольцо С105 ГОСТ 13940-86 | Нет в продаже |
|
| 27 | 440016 | Кольцо уплотнительное | Нет в продаже |
|
| 28 | 700-40-4875 | Прокладка | Нет в продаже |
|
| 28 | 700-40-4875-20 | Прокладка | Нет в продаже |
|
| 29 | 290340 | Шпилька М12х(1,75-3п)/(1,25-6g)х38.66.013 ГОСТ 22038-76 | Нет в продаже |
|
| 29 | 290340-10 | Шпилька М12х(1,75-3п)/(1,25-6g)х38.66.019 ГОСТ 22038-76 | Нет в продаже |
|
| 29 | 290340-20 | Шпилька М12х(1,75-3п)/(1,25-6g)х38.66.029 ГОСТ 22038-76 | Нет в продаже |
|
| 30 | 404-14-102СП | Ось реактора | Нет в продаже |
|
| 31 | 46-14-55 | Шайба | Нет в продаже |
|
| 32 | 46-14-191 | Фланец | Нет в продаже |
|
| 32 | 46-14-191-20 | Фланец | Нет в продаже |
|
| 33 | 25-14-119 | Кольцо | Нет в продаже |
|
| 34 | 25-14-120 | Кольцо | Нет в продаже |
|
| 35 | 46-14-120-СП | Колесо турбинное | Нет в продаже |
|
| 35 | 46-14-120-10-СП | Колесо турбинное | Нет в продаже |
|
| 35 | 46-14-120-20-СП | Колесо турбинное | Нет в продаже |
|
| 36 | 46-14-173-СП | Фланец | Нет в продаже |
|
| 37 | 440015 | Кольцо уплотнительное | Нет в продаже |
|
| 38 | Манжета 2.2-125х155 | Манжета 2.2-125х155 | Нет в продаже |
|
| 39 | 176222Л ГОСТ 8995-75 | Подшипник | Нет в продаже |
|
| 40 | 46-14-196 | Втулка | Нет в продаже |
|
| 41 | 032-038-36-2-ФСУ-50 | Кольцо ГОСТ 9833-73 | Нет в продаже |
|
| 42 | 045-050-30-2-51-1668 | Кольцо ГОСТ 9833-73/ГОСТ 18829-73 | Нет в продаже |
|
| 43 | 25-17-111СП | Заборник | Нет в продаже |
|
1
1
1
2
2
2
3
3
3
4
4
5
5
6
6
6
7
7
7
8
9
10
11
11
12
13
13
14
15
16
17
18
19
19
19
20
21
22
23
24
25
26
27
28
28
29
29
29
30
31
32
32
33
34
35
35
35
36
37
38
39
40
41
42
43
Содержащиеся в справочниках-каталогах запасные части и детали носят исключительно информационный характер