Оригинальные каталоги
| № | Номер | Наименование | Цена | |
|---|---|---|---|---|
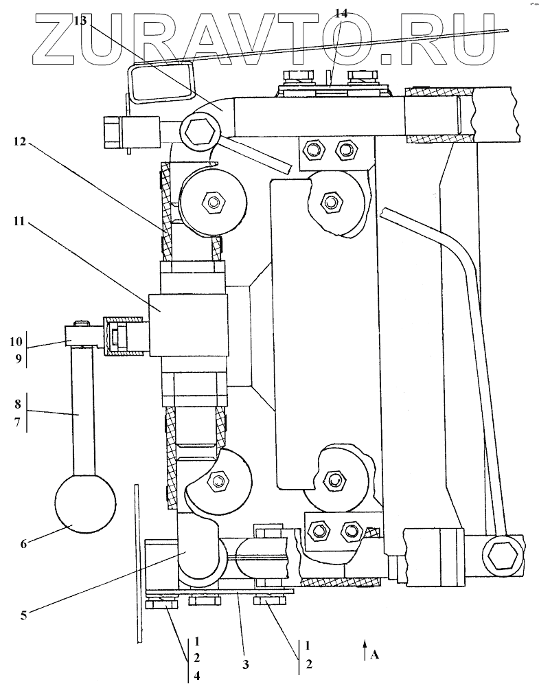
| 312002-43-40СП | 312002-43-40СП | Установка ото-пителя кабины | Нет в продаже |
|
| 1 | БолтМ12х1,25-6gх30 | Болт М12х1,25-6gх30 | Нет в продаже |
|
| 2 | Шайба12 | Шайба 12 | Нет в продаже |
|
| 3 | 2002-43-81 | Кронштейн | Нет в продаже |
|
| 4 | 310210 | Шайба 12х2.01.10.019 ГОСТ 11371-78 | Нет в продаже |
|
| 5 | 2002-43-55СП | Трубопровод | Нет в продаже |
|
| 6 | 46-23-133 | Рукоятка | Нет в продаже |
|
| 7 | Шайба10 | Шайба 10 | Нет в продаже |
|
| 8 | 2002-43-68 | Стержень | Нет в продаже |
|
| 9 | 2002-43-82 | Прижим | Нет в продаже |
|
| 10 | 2002-43-94 | Переходник | Нет в продаже |
|
| 11 | 2002-43-43СП | Кран | Нет в продаже |
|
| 12 | 460901 | Рукав | Нет в продаже |
|
| 13 | 2002-43-57СП | Трубопровод | Нет в продаже |
|
| 14 | 2002-43-83 | Пластина | Нет в продаже |
|
312002-43-40СП
1
1
2
2
3
4
5
6
7
8
9
10
11
12
13
14
Содержащиеся в справочниках-каталогах запасные части и детали носят исключительно информационный характер