Оригинальные каталоги
| № | Номер | Наименование | Цена | |
|---|---|---|---|---|
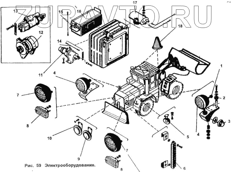
| 1 | 700.3700011 | Шар | Нет в продаже |
|
| 2 | 2256010-3798027 | Амортизатор | Нет в продаже |
|
| 3 | УП101-3726000-Б | Повторитель боковой указателя поворота УП101БЭ | Нет в продаже |
|
| 4 | ФГ16-3611000-К | Фара ФГ16-К | Нет в продаже |
|
| 5 | ПД308А-3715300 | Лампа ПД308А | Нет в продаже |
|
| 6 | ПС12 | Панель соединительная | Нет в продаже |
|
| 7 | 3113711 | Фара | Нет в продаже |
|
| 8 | 23.3712010 | Фонарь передний | Нет в продаже |
|
| 9 | С313-3721000 | Сигнал звуковой | Нет в продаже |
|
| 10 | С314-3721000 | Сигнал звуковой | Нет в продаже |
|
| 11 | ВК860Б.3737000 | Выключатель массы | Нет в продаже |
|
| 12 | 5702.3701 | Генератор | Нет в продаже |
|
| 13 | 253708-01 | Стартер | Нет в продаже |
|
| 14 | 2256010-3798110 | Провод 3 | Нет в продаже |
|
| 15 | 2256010-3700010 | Провод 2 | Нет в продаже |
|
| 16 | 6СТ-190ТР | Батарея аккумуляторная | Нет в продаже |
|
| 17 | ПС315-37231.00 | Розетка ПС315 | Нет в продаже |
|
| 18 | МП-01-24 | Маячок проблесковый | Нет в продаже |
|
1
2
3
4
5
6
7
8
9
10
11
12
13
14
15
16
18
Содержащиеся в справочниках-каталогах запасные части и детали носят исключительно информационный характер