Оригинальные каталоги
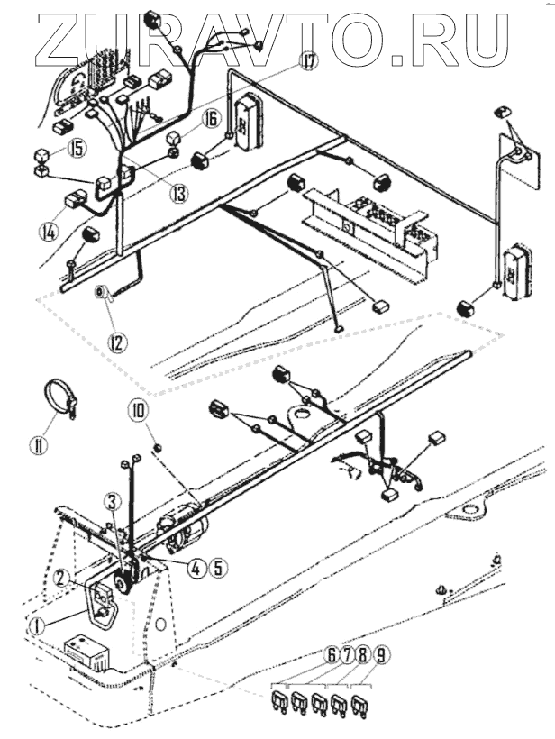
| № | Номер | Наименование | Цена | |
|---|---|---|---|---|
| 1 | 1TD0002M91 | Жгут в сборе | Нет в продаже |
|
| 2 | 1D0154 | Блок предохранителей | Нет в продаже |
|
| 3 | 6108843M1 | Звуковой сигнал в сборе | Нет в продаже |
|
| 4 | 394367X1 | Гайка | Нет в продаже |
|
| 5 | 339123X1 | Болт | Нет в продаже |
|
| 6 | 1D0132 | Предохранитель | Нет в продаже |
|
| 7 | 1D0131 | Предохранитель | Нет в продаже |
|
| 8 | 1D0130 | Предохранитель | Нет в продаже |
|
| 9 | 1D0129 | Предохранитель | Нет в продаже |
|
| 10 | 339030X1 | Гайка | Нет в продаже |
|
| 11 | 1664405M1 | Кабельный хомут | Нет в продаже |
|
| 12 | 1D0040 | Аварийный сигнал | Нет в продаже |
|
| 13 | 1TD0006M91 | Жгут проводов | Нет в продаже |
|
| 13 | 1D0230 | Жгут проводов | Нет в продаже |
|
| 14 | 1D0113 | Реле поворота | Нет в продаже |
|
| 15 | 1D0112 | Реле | Нет в продаже |
|
| 16 | 1D0107 | Реле | Нет в продаже |
|
| 17 | 1TD0004M91 | Жгут проводов | Нет в продаже |
|
1
2
3
4
5
6
7
8
9
10
11
12
13
13
14
15
16
17
Содержащиеся в справочниках-каталогах запасные части и детали носят исключительно информационный характер