Назад

Оригинальные каталоги

zoom-in zoom-out enlarge shrink circle-right circle-left file-text2 info cart
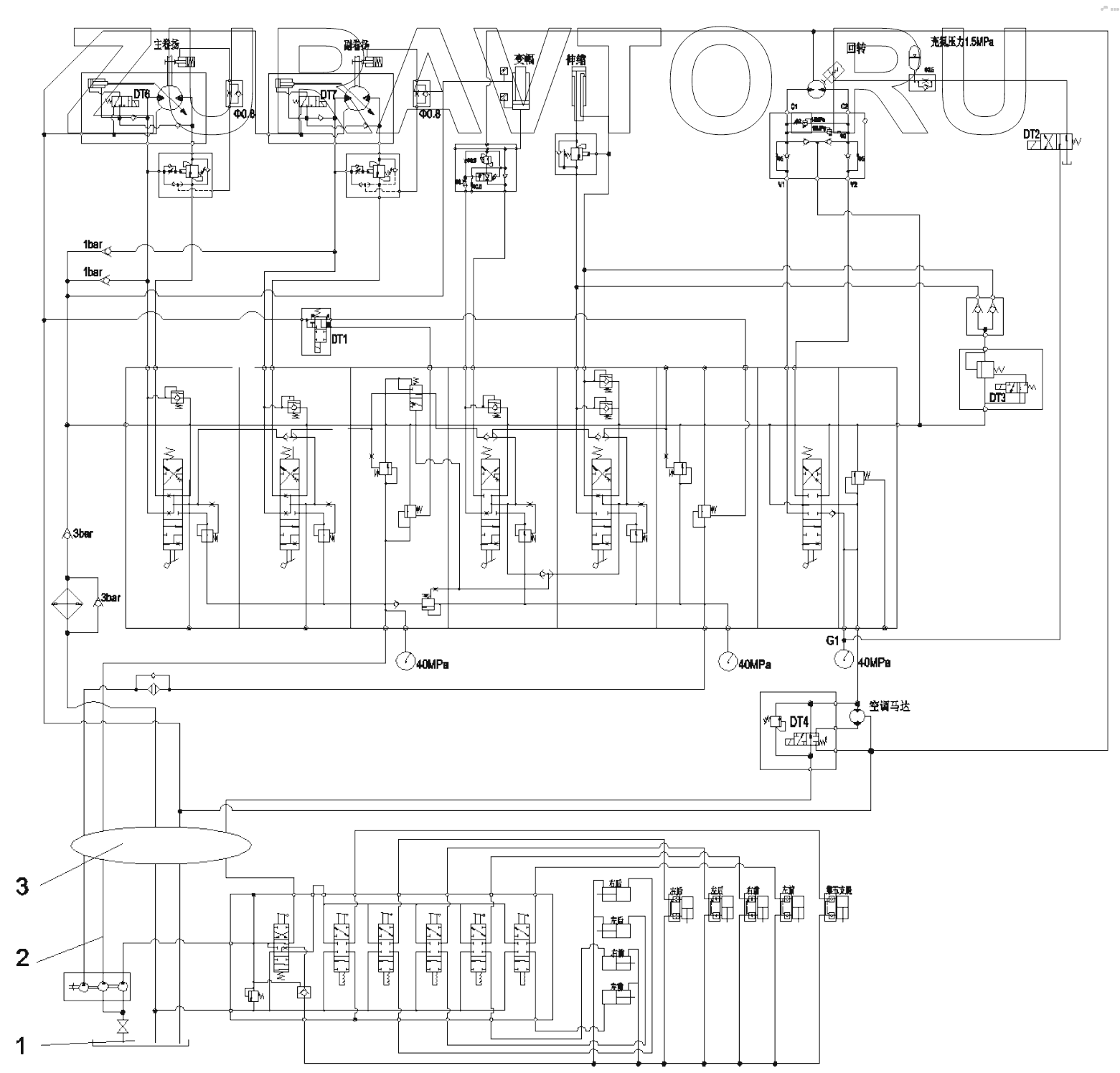
Номер Наименование Цена
1 11686582 Tank GP, oil, hydraulic Нет в продаже
2 11602527 Hydraulic pipeline, chassis Нет в продаже
3 A810302000154 Swing connector, center Нет в продаже
1
2
3
100%
Содержащиеся в справочниках-каталогах запасные части и детали носят исключительно информационный характер