Назад

Оригинальные каталоги

zoom-in zoom-out enlarge shrink circle-right circle-left file-text2 info cart
Номер Наименование Цена
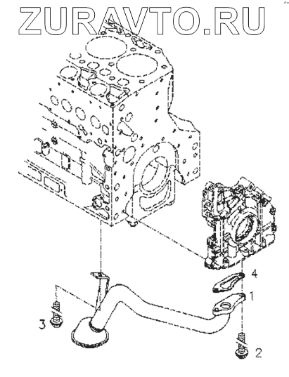
1 4110000727145 Oil collector Нет в продаже
2 4110000509208 Hexagon bolt Нет в продаже
3 4110000509246 Hexagon bolt Нет в продаже
4 4110000509159 Gasket Нет в продаже
1
2
3
4
100%
Содержащиеся в справочниках-каталогах запасные части и детали носят исключительно информационный характер