Назад

Оригинальные каталоги

zoom-in zoom-out enlarge shrink circle-right circle-left file-text2 info cart
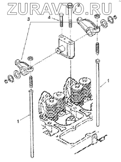
Номер Наименование Цена
1 4110000555180 ROD, PUSH Нет в продаже
2 4110000555145 Screw, hex flange head ca Нет в продаже
3 4110000555188 Support, Rocker lever Нет в продаже
4 4110000555107 SCREW, HEXAGON HEAD CAP Нет в продаже
1
1
2
3
4
100%
Содержащиеся в справочниках-каталогах запасные части и детали носят исключительно информационный характер