Оригинальные каталоги
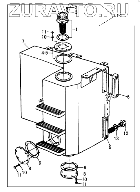
| № | Номер | Наименование | Цена | |
|---|---|---|---|---|
| 1 | 4120000081 | STRAINER | Нет в продаже |
|
| 2 | 4011000105 | BOLT | Нет в продаже |
|
| 3 | 4015000036 | WASHER | Нет в продаже |
|
| 4 | 3010900064 | FLANGE | Нет в продаже |
|
| 5 | 3010900065 | WASHER | Нет в продаже |
|
| 6 | 4120000843 | FUEL LEVEL GAUGE | Нет в продаже |
|
| 7 | 2010900026 | FUEL TANK | Нет в продаже |
|
| 8 | 3010900066 | COVER | Нет в продаже |
|
| 9 | 3010900067 | WASHER | Нет в продаже |
|
| 10 | 4015000025 | Washer | Нет в продаже |
|
| 11 | 4011000082 | BOLT | Нет в продаже |
|
| 12 | 2010900048 | STRAINER ASS'Y | Нет в продаже |
|
| 13 | 3010900068 | WASHER | Нет в продаже |
|
| 14 | 2010900025 | FUEL TANK | Нет в продаже |
|
1
2
3
4
5
6
6
7
8
8
9
9
10
10
10
11
11
11
12
13
14
Содержащиеся в справочниках-каталогах запасные части и детали носят исключительно информационный характер