Назад

Оригинальные каталоги

zoom-in zoom-out enlarge shrink circle-right circle-left file-text2 info cart
Номер Наименование Цена
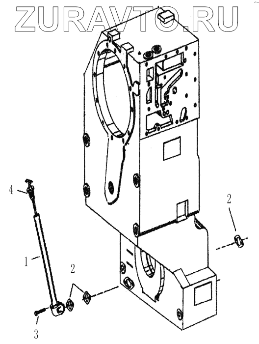
1 263-15-10050 Oiling pipe assy Нет в продаже
2 263-15-10051 Gasket Нет в продаже
3 01010-50816 Болт Нет в продаже
4 263-15-10052 Dipstick assy Нет в продаже
1
2
2
3
4
100%
Содержащиеся в справочниках-каталогах запасные части и детали носят исключительно информационный характер