Оригинальные каталоги
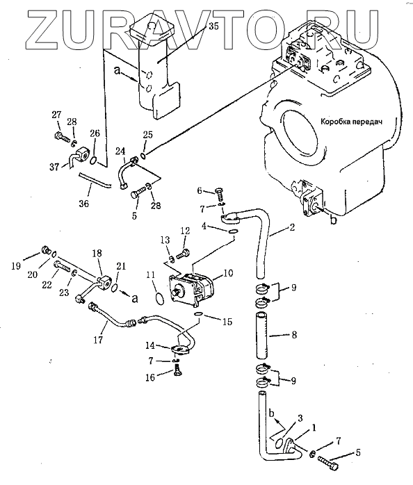
| № | Номер | Наименование | Цена | |
|---|---|---|---|---|
| 1 | 16Y-75-18000 | Трубка всасывающая | Нет в продаже |
|
| 2 | 16Y-75-16000 | Трубка всасывающая | Нет в продаже |
|
| 3 | 07000-03040 | Кольцо круглого сечения | Нет в продаже |
|
| 4 | 07000-03032 | Кольцо | Нет в продаже |
|
| 5 | 01010-51030 | Болт | Нет в продаже |
|
| 6 | 01010-51065 | Шайба | Нет в продаже |
|
| 7 | 01602-21030 | Шайба | Нет в продаже |
|
| 8 | 07260-23236 | Рукав | Нет в продаже |
|
| 9 | 07280-05026 | Хомут | Нет в продаже |
|
| 10 | 16Y-75-24000 | Насос трансмиссионный | Нет в продаже |
|
| 11 | 07000-02075 | Кольцо | Нет в продаже |
|
| 12 | 01010-51030 | Болт | Нет в продаже |
|
| 13 | 01602-21030 | Шайба | Нет в продаже |
|
| 14 | 16Y-75-17000 | Трубка | Нет в продаже |
|
| 15 | 07000-03022 | Кольцо | Нет в продаже |
|
| 16 | 01010-51035 | Болт | Нет в продаже |
|
| 17 | 07102-20506 | Рукав | Нет в продаже |
|
| 18 | 16Y-75-09000 | Трубка | Нет в продаже |
|
| 19 | 07040-11007 | Заглушка | Нет в продаже |
|
| 20 | 07000-01023 | Кольцо круглого сечения | Нет в продаже |
|
| 21 | 07000-03025 | Кольцо | Нет в продаже |
|
| 22 | 01010-51050 | Болт | Нет в продаже |
|
| 23 | 01602-21030 | Шайба | Нет в продаже |
|
| 24 | 16Y-75-22000 | Трубка | Нет в продаже |
|
| 25 | 07000-03028 | Кольцо | Нет в продаже |
|
| 26 | 07000-03025 | Кольцо | Нет в продаже |
|
| 27 | 01010-51050 | Болт | Нет в продаже |
|
| 28 | 01602-21030 | Шайба | Нет в продаже |
|
| 35 | 16Y-75-23000 | Фильтр масляный | Нет в продаже |
|
| 36 | 07102-20503 | Рукав | Нет в продаже |
|
| 37 | 16Y-75-08000 | Трубка | Нет в продаже |
|
1
2
3
4
5
5
6
7
7
7
8
9
9
10
11
12
13
14
15
16
17
18
19
20
21
22
23
24
25
26
27
28
28
35
36
37
Содержащиеся в справочниках-каталогах запасные части и детали носят исключительно информационный характер