Оригинальные каталоги
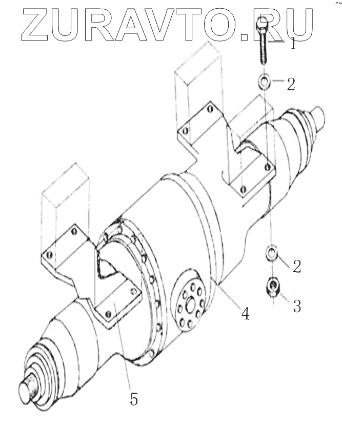
| № | Номер | Наименование | Цена | |
|---|---|---|---|---|
| 1 | 01051-52405 | Bolt | Нет в продаже |
|
| 2 | 01643-32460 | Уплотнительная шайба | Нет в продаже |
|
| 3 | 01582-12419 | Замковая пластина | Нет в продаже |
|
| 4 | 222-18-01000 | Rear axle | Нет в продаже |
|
| 5 | 222-18-02000 | Support device | Нет в продаже |
|
1
2
2
3
4
5
Содержащиеся в справочниках-каталогах запасные части и детали носят исключительно информационный характер