Оригинальные каталоги
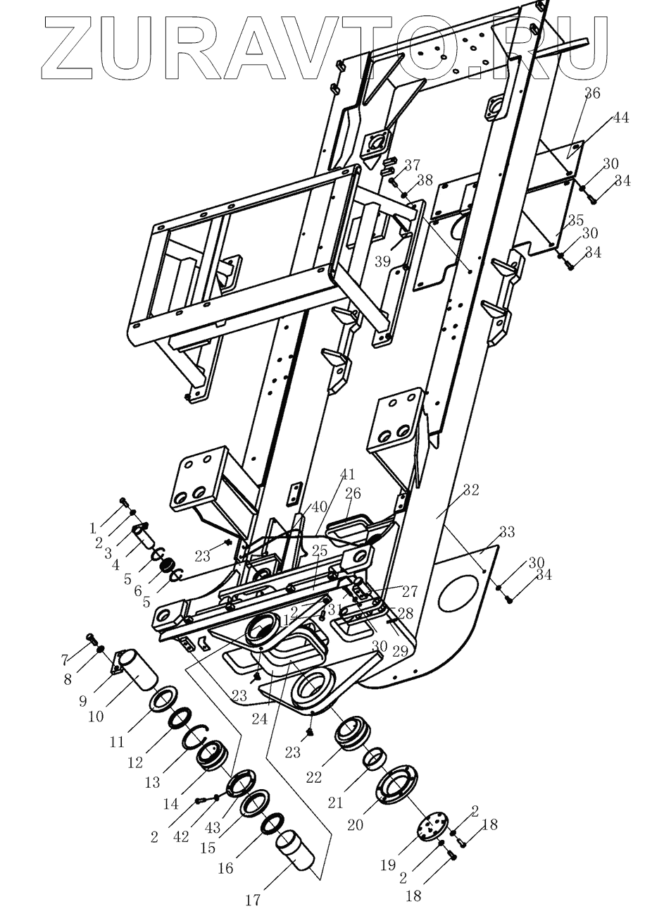
| № | Номер | Наименование | Цена | |
|---|---|---|---|---|
| 1 | 01010-51230 | Болт | Нет в продаже |
|
| 2 | 01643-31232 | Шайба | Нет в продаже |
|
| 3 | 04082-00209 | Перегородка | Нет в продаже |
|
| 4 | 222-30-00005 | Shaft | Нет в продаже |
|
| 5 | 04065-06220 | Retainer | Нет в продаже |
|
| 6 | GB9163-GE40ES | Joint bearing | Нет в продаже |
|
| 7 | 01010-51640 | Болт | Нет в продаже |
|
| 8 | 01643-31645 | Шайба | Нет в продаже |
|
| 9 | 04082-00616 | Замковая прокладка вала | Нет в продаже |
|
| 10 | 222-30-00006 | Shaft | Нет в продаже |
|
| 11 | 222-30-00018 | Cover | Нет в продаже |
|
| 12 | 222-30-00008 | Felt ring | Нет в продаже |
|
| 13 | GB893.1-130 | Ring, snap | Нет в продаже |
|
| 14 | GB9163-GE90ES | Joint bearing | Нет в продаже |
|
| 15 | 222-30-00013 | Cover | Нет в продаже |
|
| 16 | 222-30-00017 | Felt ring | Нет в продаже |
|
| 17 | 222-30-00019 | Shaft | Нет в продаже |
|
| 18 | 01010-51240 | Болт | Нет в продаже |
|
| 19 | 222-30-00015 | Cover | Нет в продаже |
|
| 20 | 222-30-00016 | Sleeve | Нет в продаже |
|
| 21 | 222-30-00014 | Cover | Нет в продаже |
|
| 22 | GB9163-GEG90ES | Joint bearing | Нет в продаже |
|
| 23 | 07020-01021 | Масленка | Нет в продаже |
|
| 24 | 222-30-00010 | Rubber ring | Нет в продаже |
|
| 25 | 222-30-00021 | Guard plate | Нет в продаже |
|
| 26 | 222-30-00012 | Rubber ring | Нет в продаже |
|
| 27 | 222-30-00009 | Pin | Нет в продаже |
|
| 28 | 222-30-03000 | Plate | Нет в продаже |
|
| 29 | 04050-15050 | Pin, cotter | Нет в продаже |
|
| 30 | 01643-31032 | Шайба | Нет в продаже |
|
| 31 | 01010-51060 | Болт | Нет в продаже |
|
| 32 | 222-30-04000 | Main frame | Нет в продаже |
|
| 33 | 222-30-00020 | Guard plate | Нет в продаже |
|
| 34 | 01010-51025 | Болт | Нет в продаже |
|
| 35 | 222-30-00004 | Plate | Нет в продаже |
|
| 36 | 222-30-00023 | Plate | Нет в продаже |
|
| 37 | 01010-51455 | Болт | Нет в продаже |
|
| 38 | 01643-31445 | Уплотнительная шайба | Нет в продаже |
|
| 39 | 222-30-05000 | Oil tank bracket | Нет в продаже |
|
| 40 | 222-30-08000 | Lubrication pipe | Нет в продаже |
|
| 41 | 222-30-07000 | Lubrication pipe | Нет в продаже |
|
| 42 | 01010-51245 | Болт | Нет в продаже |
|
| 43 | 222-30-00022 | Plate | Нет в продаже |
|
| 44 | 222-30-00002 | Plate | Нет в продаже |
|
1
1
2
2
2
2
2
3
4
5
5
6
7
8
9
10
11
12
13
14
15
16
17
18
18
19
20
21
22
23
23
23
24
25
26
27
28
29
30
30
30
30
31
32
33
34
34
34
35
36
37
38
39
40
41
42
43
44
Содержащиеся в справочниках-каталогах запасные части и детали носят исключительно информационный характер