Оригинальные каталоги
| № | Номер | Наименование | Цена | |
|---|---|---|---|---|
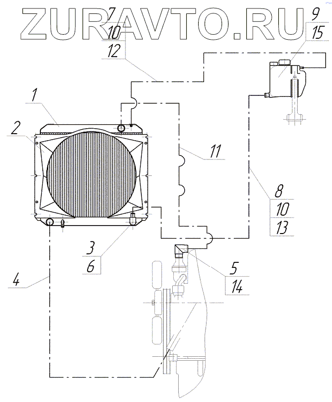
| 4203.01.000 | 4203.01.000 | Система охлаждения двигателя | Нет в продаже |
|
| 1 | 5301-1301010 | Радиатор водяной | Нет в продаже |
|
| 2 | 5301-1309012-10 | Кожух вентилятора | Нет в продаже |
|
| 3 | 4203.01.020 | Угольник | Нет в продаже |
|
| 4 | 33021-1303010 | Рукав радиатора отводной | Нет в продаже |
|
| 5 | 4203.01.040 | Угольник | Нет в продаже |
|
| 6 | 4203.01.001 | Рукав | Нет в продаже |
|
| 7 | 4203.01.002 | Рукав | Нет в продаже |
|
| 8 | 4203.01.003 | Рукав | Нет в продаже |
|
| 9 | 21083-1311014 | Бачок расширительный | Нет в продаже |
|
| 10 | Зажим виниловый | Зажим виниловый | Нет в продаже |
|
| 11 | 33021-1303010-02 | Рукав радиатора отводной | Нет в продаже |
|
| 12 | Хомут 18-25 | Хомут 18-25 | Нет в продаже |
|
| 13 | Хомут 21-38 | Хомут 21-38 | Нет в продаже |
|
| 14 | Хомут 32-51 | Хомут 32-51 | Нет в продаже |
|
| 15 | 2108-1311092 | Ремень | Нет в продаже |
|
4203.01.000
1
2
3
4
5
6
7
8
9
10
10
11
12
13
14
15
Содержащиеся в справочниках-каталогах запасные части и детали носят исключительно информационный характер