Оригинальные каталоги
| № | Номер | Наименование | Цена | |
|---|---|---|---|---|
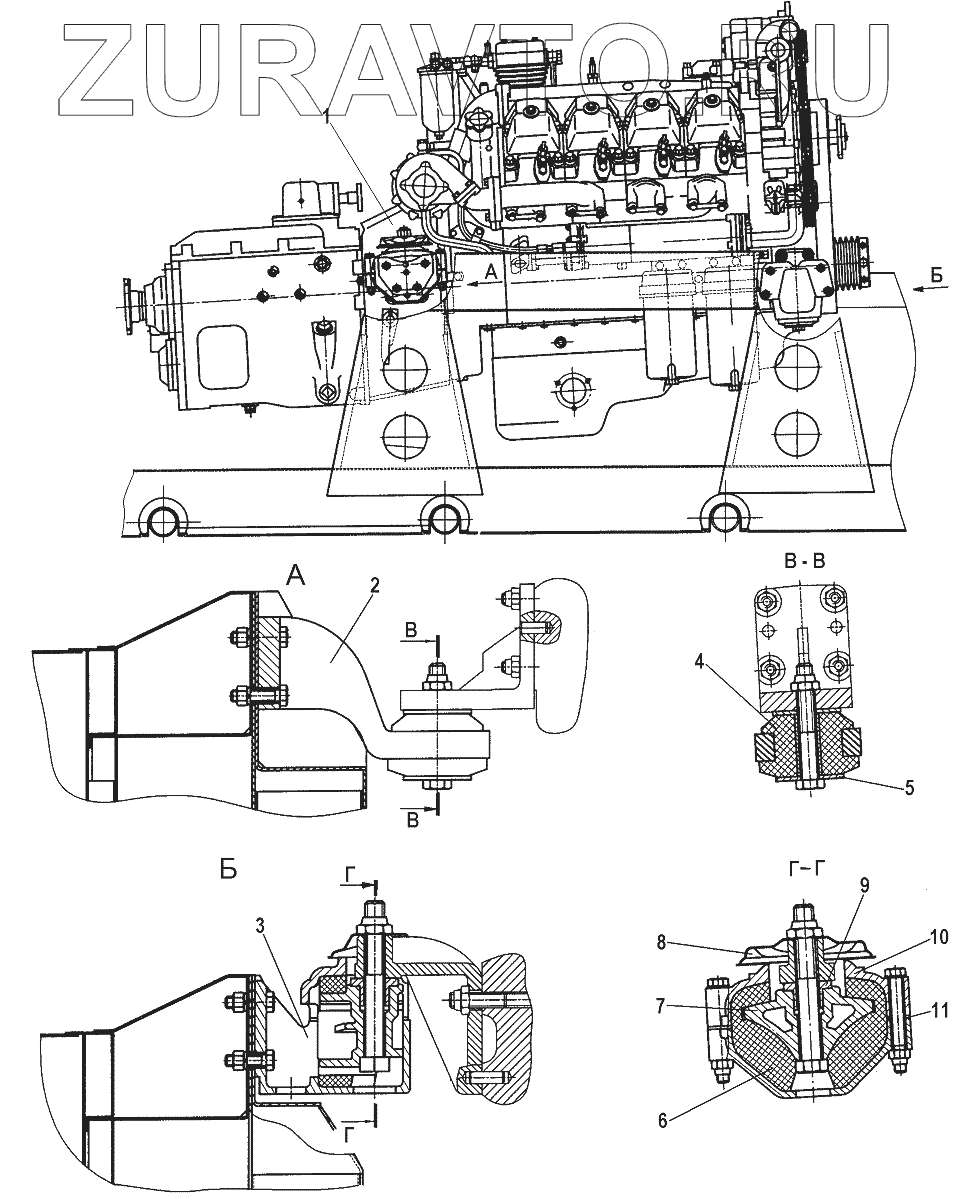
| 740.14-1000049 | 740.14-1000049 | Агрегат силовой в сборе | Нет в продаже |
|
| 1 | 53025-1001015 | Кронштейн передней опоры силового агрегата | Нет в продаже |
|
| 2 | 53025-1001020 | Подушка передней опоры | Нет в продаже |
|
| 3 | 53205-1001071 | 53205-1001071 - шайба 53205-1001071 | Нет в продаже |
|
| 4 | 5320-1001048 | Кронштейн задней опоры силового агрегата (КАМАЗ) |
2955.7 Р
|
|
| 5 | 5320-1001051 | Подушка задней опоры силового агрегата | Нет в продаже |
|
| 6 | 5320-1001062-10 | 5320-1001062-10 - башмак задней опоры 5320-1001062-10 | Нет в продаже |
|
| 7 | 5320-1001075 | Колпак защитный подушки задней опоры (КАМАЗ) |
191 Р
|
|
| 8 | 5320-1001128 | Втулка опорная башмака | Нет в продаже |
|
| 9 | 5320-1001109 | Крышка задней опоры двигателя (КАМАЗ) |
2072.4 Р
|
|
| 10 | 5320-1001085 | 5320-1001085 - прокладка регулировочная крышки 5320-1001085 | Нет в продаже |
|
1
2
3
4
5
6
7
8
9
10
10
Содержащиеся в справочниках-каталогах запасные части и детали носят исключительно информационный характер