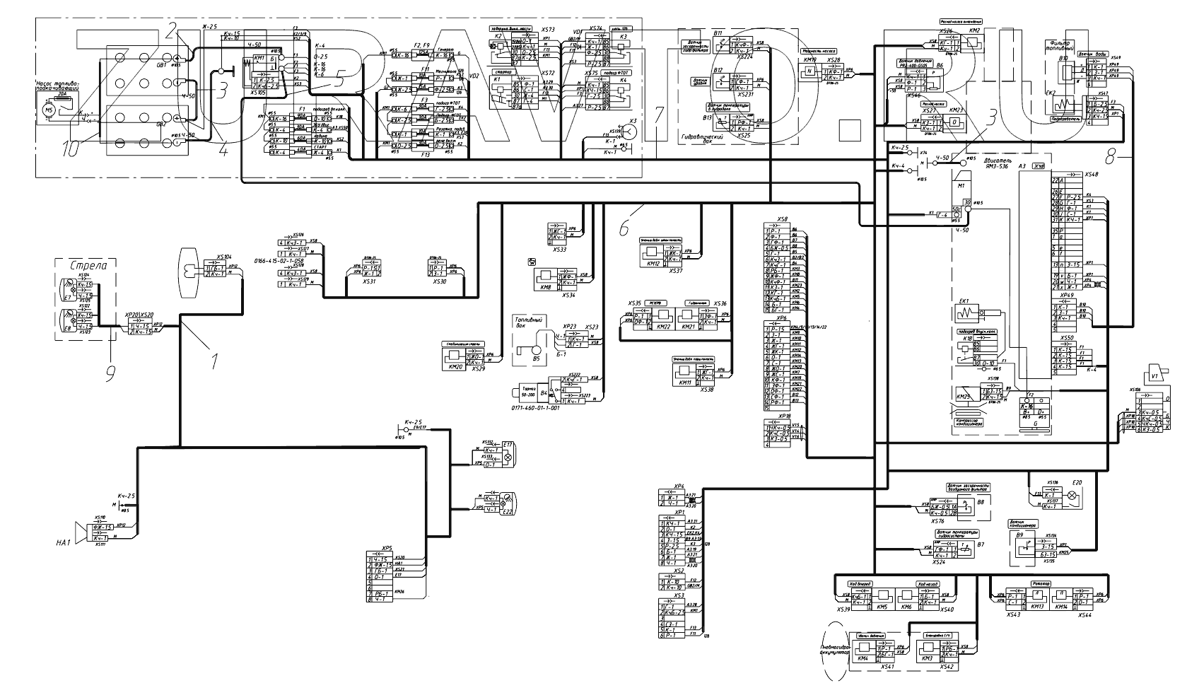
Оригинальные каталоги
| № | Номер | Наименование | Цена | |
|---|---|---|---|---|
| 1 | 000090100010 01 | Жгут проводов | Нет в продаже |
|
| 2 | 000090000020 01 | Провод | Нет в продаже |
|
| 3 | 000090000030 01 | Провод | Нет в продаже |
|
| 4 | 000090000040 01 | Провод | Нет в продаже |
|
| 5 | 000090000050 01 | Провод | Нет в продаже |
|
| 6 | 000090000070 01 | Жгут проводов | Нет в продаже |
|
| 7 | 000090000210 01 | Жгут проводов | Нет в продаже |
|
| 8 | 000090000200 01 | Жгут проводов | Нет в продаже |
|
| 9 | 000090000180 01 | Жгут проводов | Нет в продаже |
|
| 10 | 000090100040 01 | Жгут проводов | Нет в продаже |
|
1
2
3
3
4
5
6
7
8
9
10
Содержащиеся в справочниках-каталогах запасные части и детали носят исключительно информационный характер