Оригинальные каталоги
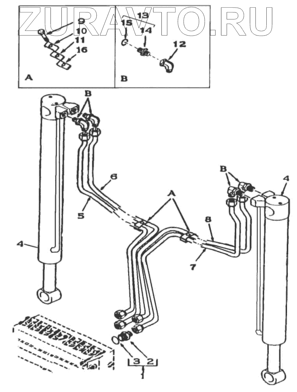
| № | Номер | Наименование | Цена | |
|---|---|---|---|---|
| 1 | 1H0196 | Переходник в сборе | Нет в продаже |
|
| 2 | 1H0195 | Переходник | Нет в продаже |
|
| 3 | 835025M1 | Уплотнение | Нет в продаже |
|
| 4 | 1H0020 | Цилиндр в сборе | Нет в продаже |
|
| 5 | 6109734M91 | Рукав в сборе | Нет в продаже |
|
| 6 | 6109531M91 | Рукав в сборе | Нет в продаже |
|
| 7 | 6109733M91 | Рукав в сборе | Нет в продаже |
|
| 8 | 6109563M91 | Рукав в сборе | Нет в продаже |
|
| 9 | 339761X1 | Винт | Нет в продаже |
|
| 10 | 3518910M1 | Скоба прижимная | Нет в продаже |
|
| 11 | 1458385M1 | Резиновая подушка | Нет в продаже |
|
| 12 | 365233X1 | Поворотный угольник | Нет в продаже |
|
| 13 | 832159M91 | Переходник в сборе | Нет в продаже |
|
| 14 | 832158M1 | Переходник | Нет в продаже |
|
| 15 | 835024M1 | Уплотнение | Нет в продаже |
|
| 16 | 3518923M1 | Втулка | Нет в продаже |
|
1
2
3
4
4
5
6
7
8
9
10
11
12
13
14
15
16
Содержащиеся в справочниках-каталогах запасные части и детали носят исключительно информационный характер