Оригинальные каталоги
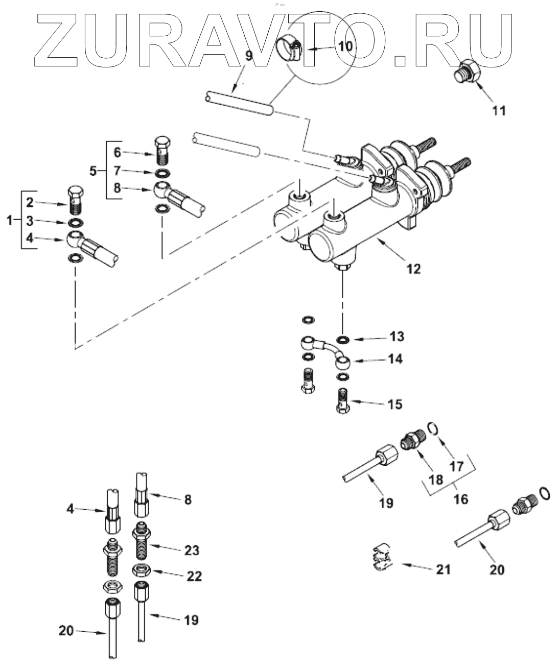
| № | Номер | Наименование | Цена | |
|---|---|---|---|---|
| 1 | 6110857M91 | Рукав в сборе левый | Нет в продаже |
|
| 2 | BOLT | Болт | Нет в продаже |
|
| 3 | WASHER | Шайба | Нет в продаже |
|
| 4 | HOSE | шланг | Нет в продаже |
|
| 5 | 6110858M91 | Рукав в сборе правый | Нет в продаже |
|
| 6 | BOLT | Болт | Нет в продаже |
|
| 7 | WASHER | Шайба | Нет в продаже |
|
| 8 | HOSE | шланг | Нет в продаже |
|
| 9 | 6111156M1 | Рукав тормозного бачка | Нет в продаже |
|
| 10 | 3517 409M1 | Зажим | Нет в продаже |
|
| 11 | 835 087M91 | Пробка | Нет в продаже |
|
| 12 | 6111136M92 | Главный цилиндр в сборе | Нет в продаже |
|
| 13 | 6111149M1 | Шайба | Нет в продаже |
|
| 14 | 6111109М91 | Труба | Нет в продаже |
|
| 15 | 6111148М1 | Болт-банжо | Нет в продаже |
|
| 16 | 6106477M91 | Штуцер с кольцом | Нет в продаже |
|
| 17 | 831495M1 | Кольцо | Нет в продаже |
|
| 18 | CONNECTOR | Кольцевое уплотнение | Нет в продаже |
|
| 19 | 6112806М1 | Труба в сборе | Нет в продаже |
|
| 20 | 6112805М1 | Труба в сборе | Нет в продаже |
|
| 21 | 1Н0308 | Фиксатор | Нет в продаже |
|
| 22 | 356613X1 | Гайка крепления перегородки | Нет в продаже |
|
| 23 | 356265X1 | Муфта крепления трубки к перегородке | Нет в продаже |
|
1
2
3
4
4
5
6
7
8
8
9
10
11
12
13
14
15
16
17
18
19
19
20
20
21
22
23
Содержащиеся в справочниках-каталогах запасные части и детали носят исключительно информационный характер