Оригинальные каталоги
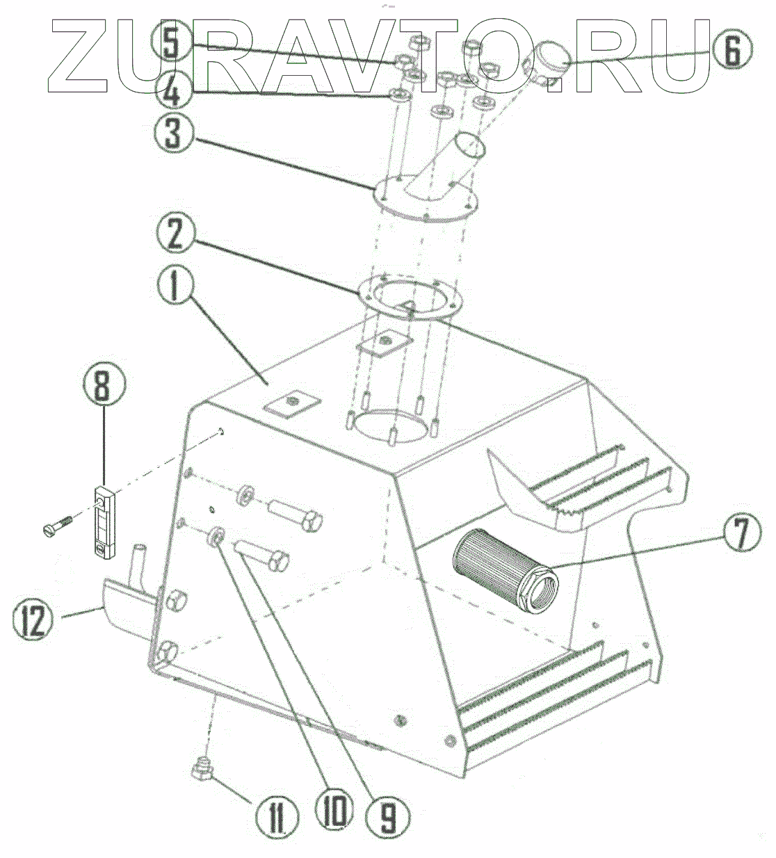
| № | Номер | Наименование | Цена | |
|---|---|---|---|---|
| 1 | 815000701000 00 | Бак гидравлический | Нет в продаже |
|
| 2 | 000815071196 01 | Прокладка | Нет в продаже |
|
| 3 | 815000701400 00 | Горловина заливная | Нет в продаже |
|
| 4 | 000026440205 01 | Шайба | Нет в продаже |
|
| 5 | 000026410608 01 | Гайка | Нет в продаже |
|
| 6 | 000913178104 01 | Крышка фильтра | Нет в продаже |
|
| 7 | 000815080048 01 | Всасывающий фильтрующий элемент | Нет в продаже |
|
| 8 | 000918102603 01 | Указатель уровня | Нет в продаже |
|
| 9 | 000026400225 01 | Болт | Нет в продаже |
|
| 10 | 000026440610 01 | Шайба | Нет в продаже |
|
| 11 | 000815070066 01 | Заглушка уловитель | Нет в продаже |
|
| 12 | 815000701300 00 | Кожух | Нет в продаже |
|
1
2
3
4
5
6
7
8
9
10
11
12
Содержащиеся в справочниках-каталогах запасные части и детали носят исключительно информационный характер