Оригинальные каталоги
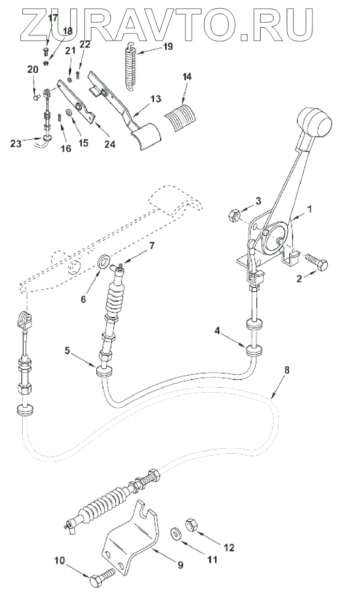
| № | Номер | Наименование | Цена | |
|---|---|---|---|---|
| 1 | 000815001265 01 | Газовая рукоятка | Нет в продаже |
|
| 2 | 000026420238 01 | Винт | Нет в продаже |
|
| 3 | 000026410605 01 | Гайка | Нет в продаже |
|
| 4 | 6101552M1 | Уплотнитель | Нет в продаже |
|
| 5 | 000815080187 01 | Уплотняющее кольцо | Нет в продаже |
|
| 6 | 390971X1 | Шайба | Нет в продаже |
|
| 7 | 3517074M1 | Палец | Нет в продаже |
|
| 8 | 6110669M93 | Кабель | Нет в продаже |
|
| 9 | 6109751M1 | Кронштейн троса | Нет в продаже |
|
| 10 | 339804X1 | Болт шестигранный | Нет в продаже |
|
| 11 | 390971X1 | Шайба | Нет в продаже |
|
| 12 | 1441500X1 | Контргайка нейлоновой вставкой | Нет в продаже |
|
| 13 | 6111952M91 | Педаль | Нет в продаже |
|
| 14 | 6100585M1 | Накладка педали | Нет в продаже |
|
| 15 | 390735X1 | Шайба | Нет в продаже |
|
| 16 | 1442965X1 | Фиксатор | Нет в продаже |
|
| 17 | 339337X1 | Болт | Нет в продаже |
|
| 18 | 392309X1 | Гайка | Нет в продаже |
|
| 19 | 1470592M1 | Пружина | Нет в продаже |
|
| 20 | 195446M1 | Палец | Нет в продаже |
|
| 21 | 353753X1 | Шайба | Нет в продаже |
|
| 22 | 354039X1 | Фиксатор | Нет в продаже |
|
| 23 | 6102367M1 | Уплотнитель | Нет в продаже |
|
| 24 | 6111955M91 | Пластина | Нет в продаже |
|
1
2
3
4
5
6
7
8
9
10
11
12
13
14
15
16
17
18
19
20
21
22
23
24
Содержащиеся в справочниках-каталогах запасные части и детали носят исключительно информационный характер