Оригинальные каталоги
| № | Номер | Наименование | Цена | |
|---|---|---|---|---|
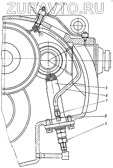
| 1001.05.140Сб3 | 1001.05.140Сб3 | Устройство для смазки редуктора | Нет в продаже |
|
| 1 | 1001.05.159.2 | Труба | Нет в продаже |
|
| 2 | 0.01076 (Д356) | Пробка М6 | Нет в продаже |
|
| 3 | 1001.05.155Сб2 | Брызгало | Нет в продаже |
|
| 4 | 1001.05.220Сб1 | Труба | Нет в продаже |
|
| 5 | 1001.05.141Сб3 | Насос плунжерный | Нет в продаже |
|
| 6 | 1001.05.228Сб | Труба 1/2 | Нет в продаже |
|
| 7 | А148 | Муфта длинная 15 | Нет в продаже |
|
| 8 | А150 | Ниппель 15 | Нет в продаже |
|
| 9 | 1001.05.221Сб | Патрубок всасывающий | Нет в продаже |
|
1
2
3
4
5
6
7
8
9
Содержащиеся в справочниках-каталогах запасные части и детали носят исключительно информационный характер