Оригинальные каталоги
| № | Номер | Наименование | Цена | |
|---|---|---|---|---|
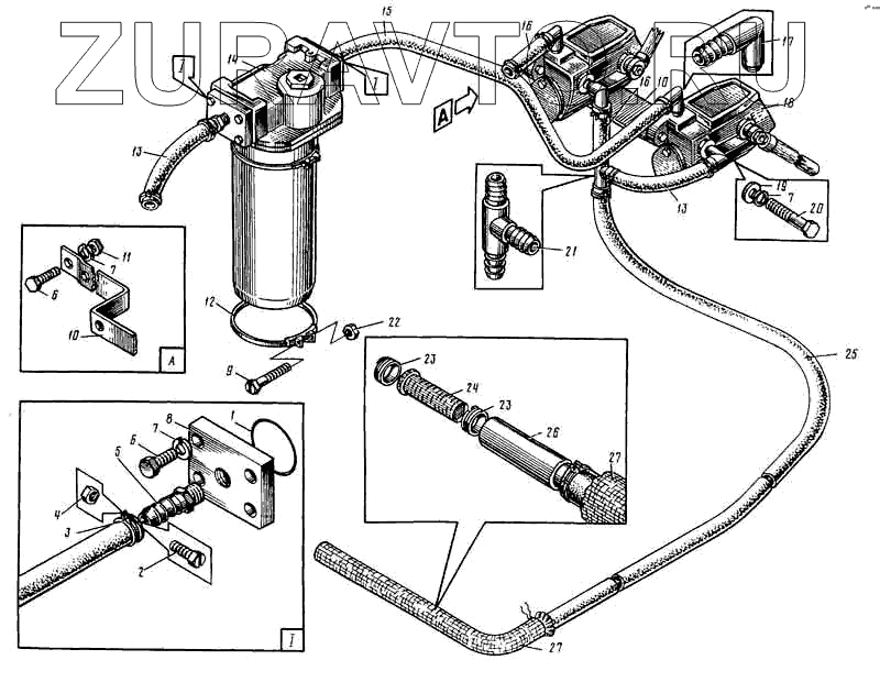
| ЭО-5122.09.35.000-1 | ЭО-5122.09.35.000-1 | Установка насосов | Нет в продаже |
|
| 1 | КРУ-063-068-3-2-2 | Кольцо | Нет в продаже |
|
| 2 | БНТ-М6х40 | Болт | Нет в продаже |
|
| 3 | 102-33 | Хомут | Нет в продаже |
|
| 4 | ГШ-М6 | Гайка | Нет в продаже |
|
| 5 | 111В-3А-1Б | Ниппель переходной | Нет в продаже |
|
| 6 | БНТ-М12х30 | Болт М12х30 | Нет в продаже |
|
| 7 | ШП-12 | Шайба | Нет в продаже |
|
| 8 | ЭО-5122.09.35.007 | Фланец | Нет в продаже |
|
| 9 | БНТ-М8х60 | Болт | Нет в продаже |
|
| 10 | ЭО-5122.09.35.006 | Кронштейн | Нет в продаже |
|
| 11 | ГШ-М12 | Гайка | Нет в продаже |
|
| 12 | 102-170 | Хомут | Нет в продаже |
|
| 13 | ЭО-5122.09.35.003 | Рукав | Нет в продаже |
|
| 14 | 1.1.50-25 | Фильтр | Нет в продаже |
|
| 15 | ЭО-5122.09.35.002 | Рукав Б-1-25-10 ГОСТ 5398-76 L =1200 | Нет в продаже |
|
| 16 | ЭО-5122.09.35.004 | Рукав | Нет в продаже |
|
| 17 | 30-5122.09.35.010 | Угольник | Нет в продаже |
|
| 18 | БК7-3.000 | Насос ручной поршневой "Родник" | Нет в продаже |
|
| 19 | Ш4-12 | Шайба | Нет в продаже |
|
| 20 | БНТ-М12х65 | Болт | Нет в продаже |
|
| 21 | ЭО-5122.09.35.020 | Тройник | Нет в продаже |
|
| 22 | ГШ-М8 | Гайка | Нет в продаже |
|
| 23 | 111В-3А-19 | Гайка | Нет в продаже |
|
| 24 | 111В-3А-18 | Фильтр | Нет в продаже |
|
| 25 | ЭО-5122.09.35.001 | Рукав Б-1-25-10 ГОСТ 5398-76 L=3900 | Нет в продаже |
|
| 26 | 111В-3А-17 | Наконечник шланга | Нет в продаже |
|
| 27 | 111В-3А-15 | Чехол защитный | Нет в продаже |
|
1
2
3
4
5
6
6
7
7
7
8
9
10
10
11
12
13
13
14
15
16
16
17
18
19
20
21
22
23
23
24
25
26
27
27
Содержащиеся в справочниках-каталогах запасные части и детали носят исключительно информационный характер